EasyManua.ls Logo

Hussmann Super Plus - Page 140

Hussmann Super Plus
147 pages
Print Icon
To Next Page IconTo Next Page
To Next Page IconTo Next Page
To Previous Page IconTo Previous Page
To Previous Page IconTo Previous Page
Loading...
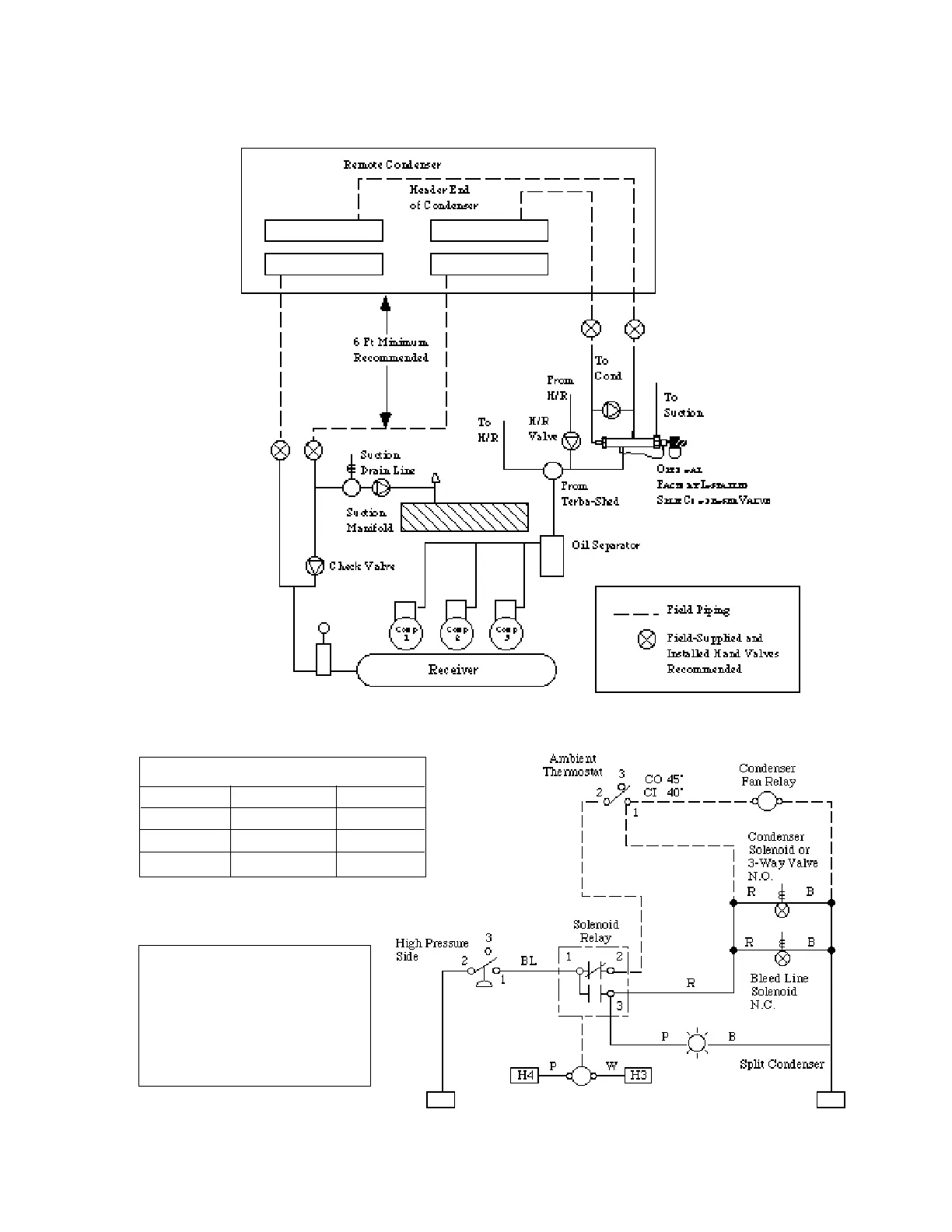
SPLIT CONDENSERS
HUSSMANN CORPORATION • BRIDGETON, MO 63044-2483 • Printed in USA
Addendum – April 15, 1997 P/N 340272A
A - 5
Figure A-4. Split Condenser Piping Method
Figure A-5. Split Condenser Wiring Diagram – Factory and Field Installed Kits
High Pressure Control Settings
Refrigerant Cut-Out Cut In
R-404a 250 195
R22 210 160
R507 260 200
Note: Units with Heat Reclaim should
have the lockout control set to prevent
the heat reclaim from being activated
below the following discharge pressure
values:
R-22 — 135 psig
R-507 — 170 psig
R404a — 165 psig

Table of Contents

Related product manuals