EasyManua.ls Logo

Iseki SGR19 - Page 83

Iseki SGR19
128 pages
Print Icon
To Next Page IconTo Next Page
To Next Page IconTo Next Page
To Previous Page IconTo Previous Page
To Previous Page IconTo Previous Page
Loading...
83
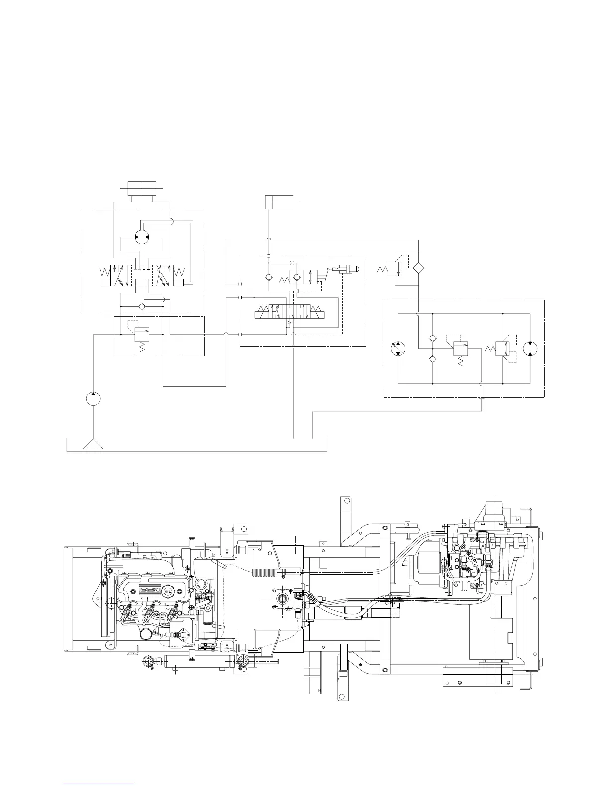
CHAPTER 6. HYDRAULIC SYSTEM
(Type U of SGR19/17)
Fig. 6-2
N
1
N
2
P
T
Relief metal
(Support)
K130-003-000-0C
Gear pump assembly
GPF1-44L-020
(12 litres/min. at 3000 rpm)
1434-201-220-0B
Suction filter
150-mesh
K182-032-000-0B
Cylinder assembly
for mower lift
1689-408-220-0A
Cylinder assembly
for Power steering
K200-069-000-0A
Solenoid valve assemblyC
ab
HST
P103-521-300-0D
Return filter assembly
10 µm
5-port
orbit roll
15±1
12 litres/min. 50°C
kgf/cm
2
15 kgf/cm
+0.5
0
2
55
kgf/cm
0
2
5+

Table of Contents

Related product manuals