EasyManua.ls Logo

LeeBoy 3000C - Hydraulic Schematics and Hose Routing

LeeBoy 3000C
238 pages
Print Icon
To Next Page IconTo Next Page
To Next Page IconTo Next Page
To Previous Page IconTo Previous Page
To Previous Page IconTo Previous Page
Loading...
7
6
3000C Force Feed Loader 6-25
Schematics
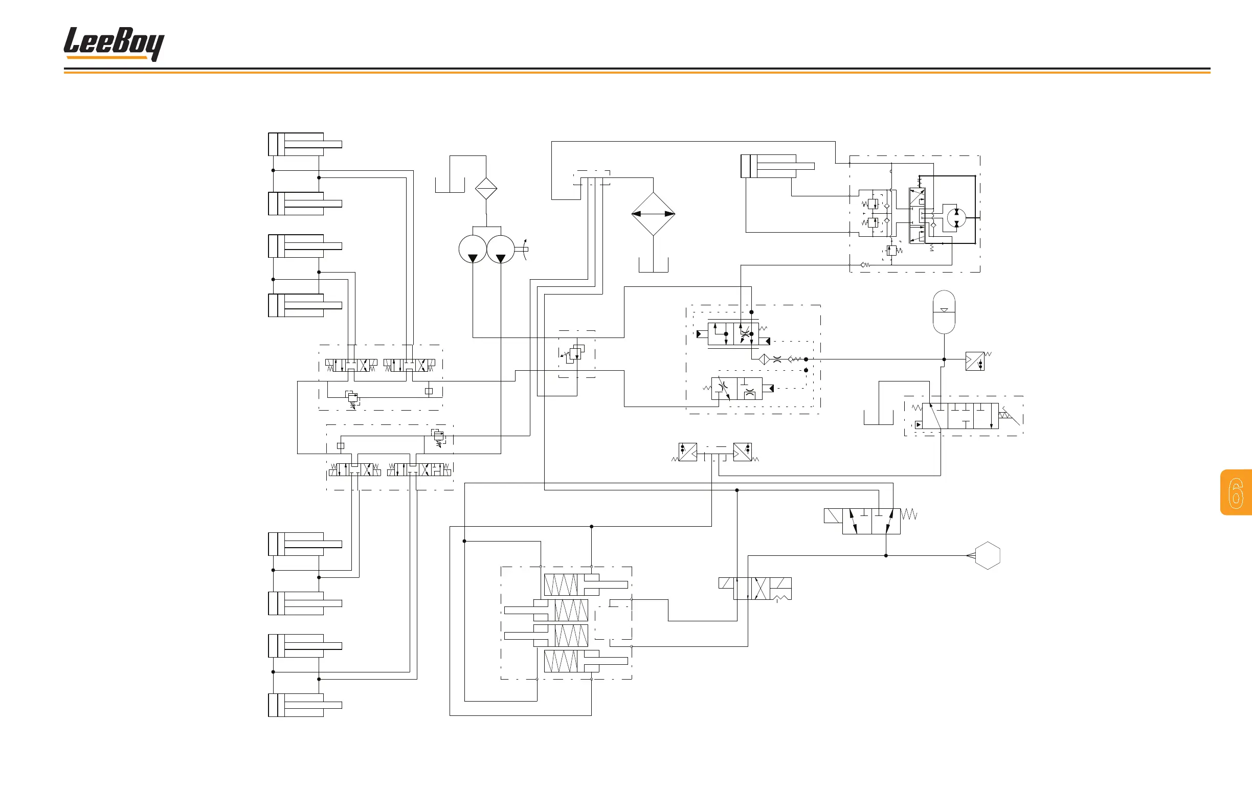
Figure 6-12. Hydraulic Schematic - 1 of 2
HYDRAULIC SCHEMATIC (1 OF 2)
Part # 1014855
COOLER
/2.D6
T
P
A
-V2
BRAKE VALVE WITH PEDAL
853350
T
A
P
O
-V3
BRAKE CHARGE VALVE
852740
AC
-A1
ACCUMULATOR
855064
1100 PSI
1 GAL (4 L)
T1
V
T2
W
T3
-V4
MANIFOLD W/RELIEF
750602
-SW1
LOW PRESSURE BRAKE SWITCH
852720
1300 PSI
Y
X
Z
W
-V7
SERVICE BRAKE MANIFOLD
858854
-SW2
BRAKE LIGHT SWITCH
853180
20-120 PSI
-SW3
PUMP DESTROKE SWITCH
853310
275-800 PSI
1
23
-V8
FWD/REV SHIFT VALVE
853850
T0
T1
T2 T3 T4
-V10
CASE DRAIN MANIFOLD
853280
P1
S
P2
-P4
852580
TANDEM GEAR
IN
OUT
36123
-F4
200 MESH, 15 GPM
STRAINER
A1
B1
A2
B2
P
T
-V12
CONVEYOR VALVE
1011868
3000 PSI
EXT
RET
P521124
-C1
CONVEYOR DEFLECTOR
EXT
RET
P521124
-C2
CONVEYOR DEFLECTOR
EXT
RET
750610
-C3
CONVEYOR LIFT
EXT
RET
750610
-C4
CONVEYOR LIFT
EXT
RET
328370
-C5
MOLDBOARD LIFT
EXT
RET
328370
-C6
MO/LDBOARD LIFT
EXT
RET
700160-28
-C7
FEEDER LIFT
EXT
RET
700160-28
-C8
FEEDER LIFT
P
L
R
T
-M6
STEERING UNIT
140500
EXT
RET
110220
-C9
STEERING CYLINDER
FRW/REV SHIFT
-B1
REAR AXLE
1010634
R2(P2)R2(P1)
R1(P2)R1(P1)
A
Br
IN
OUT
A1
B1
A2
B2
T
P
D
-V15
MOLDBOARD / FEEDER VALVE
852020
3000 PSI
P
T
A
B
-V16
TRANS SHIFT
983361

Table of Contents