EasyManua.ls Logo

LeeBoy 3000C - Parts List: Systems, Options, and Control Components

LeeBoy 3000C
238 pages
Print Icon
To Next Page IconTo Next Page
To Next Page IconTo Next Page
To Previous Page IconTo Previous Page
To Previous Page IconTo Previous Page
Loading...
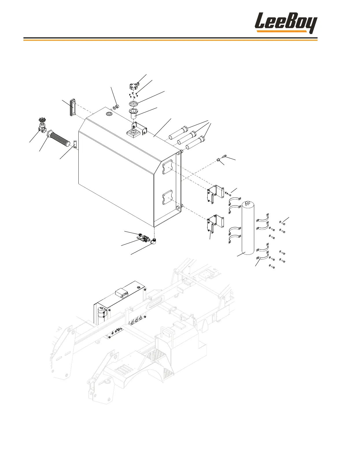
Illustrated Parts List
3000C Force Feed Loader7-40
HYDRAULIC TANK GROUP
Figure 7-17. Hydraulic Tank Group
1
2
3
4
5
6
7
8
9
10
11
12
24
25,26,27
13
15
14
16,17,18
22
23
19,20,21

Table of Contents