EasyManua.ls Logo

LeeBoy 3000C - Electrical and Harness Schematics

LeeBoy 3000C
238 pages
Print Icon
To Next Page IconTo Next Page
To Next Page IconTo Next Page
To Previous Page IconTo Previous Page
To Previous Page IconTo Previous Page
Loading...
7
6
3000C Force Feed Loader 6-3
Schematics
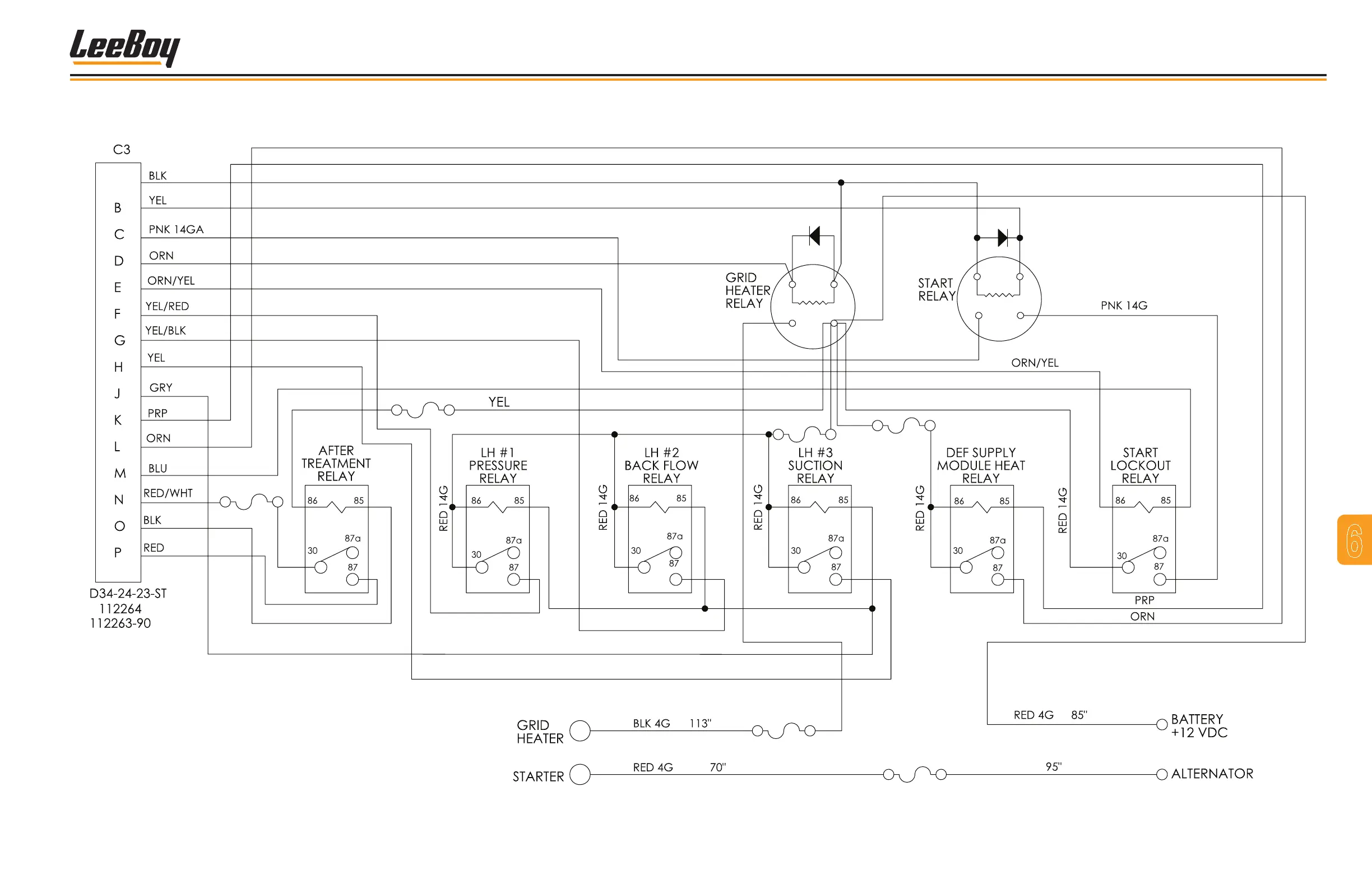
Figure 6-1. Schematic of Grid Heater Relays
GROUP, RELAYS, GRID HEATER
Part # 1013393
A
250A
175A
10A
5A
15A
15A

Table of Contents