EasyManua.ls Logo

LeeBoy 3000C - Panel, Instrument, Top Right (1 of 2)

LeeBoy 3000C
238 pages
Print Icon
To Next Page IconTo Next Page
To Next Page IconTo Next Page
To Previous Page IconTo Previous Page
To Previous Page IconTo Previous Page
Loading...
7
6
3000C Force Feed Loader 6-5
Schematics
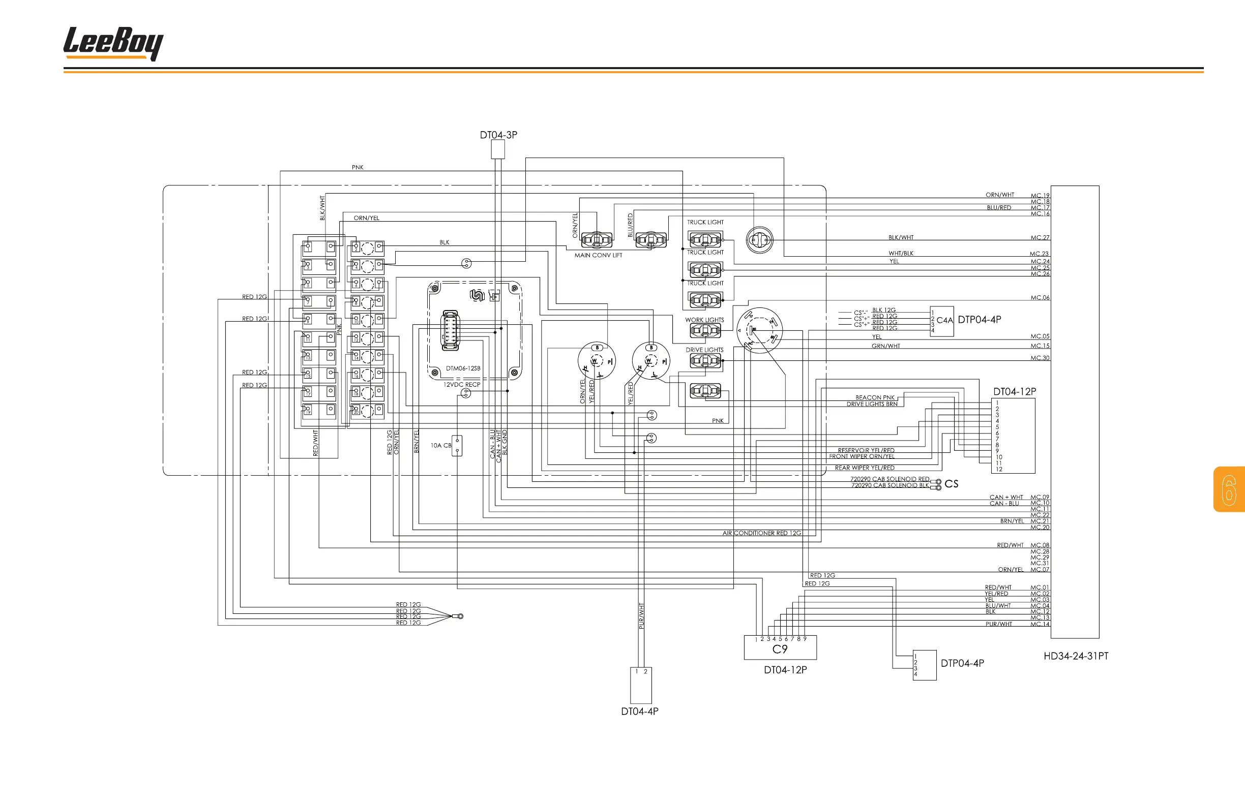
Figure 6-2. Schematic of Instrument Panel, Top Right - 1 of 2
PANEL, INSTRUMENT, TOP RIGHT (1 OF 2)
Part # 1014275
CONNECTOR FOR
LOAD RESISTOR
WHT
BLU
A
B
CW
CP
CF
PUR
RIGHT FILTER
LEFT FILTER
RED
PUR
BRN
BLU
PUR
RED
ORN
BLU
BRN
BLU
RED
RED
CAN SHIELD
PUR
BLU
GRN
WHT
ORN
DOME LIGHT BRN
FRONT WIPER LT BLU
FRONT WIPER ORN
REAR WIPER WHT
REAR WIPER GRN
BLU
FRONT
WINDOW
REAR
WINDOW
IGNITION
HORN
BEACON
BOT
CENTER
TOP
GRN
RED
DEFLECTOR
BLU
ORN
ORN
RED
CAN SHIELD
BRN
PUR
BRN
BLU
BLU
BLU
RED
WHT
ORN
MC
WAIT TO START
CE
RED
RED
RED

Table of Contents