EasyManua.ls Logo

LeeBoy 3000C - 3000 Force Feed Loader Tapered Moldboard (1 of 2)

LeeBoy 3000C
238 pages
Print Icon
To Next Page IconTo Next Page
To Next Page IconTo Next Page
To Previous Page IconTo Previous Page
To Previous Page IconTo Previous Page
Loading...
Illustrated Parts List
3000C Force Feed Loader7-8
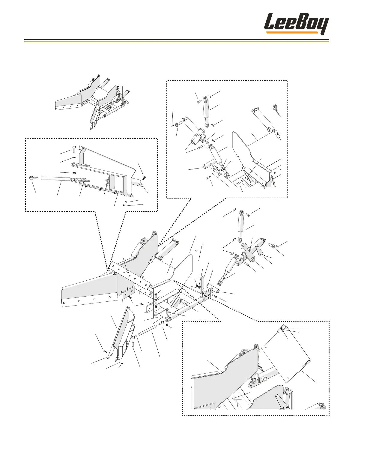
3000 FORCE FEED LOADER TAPERED MOLDBOARD (1 OF 2)
Figure 7-3. 3000 FFLT Moldboard
11
1
2
3
2
1
1
1
11
33
3
36
39
40
38
37
40
24
34
35
9
8
8
1
1
7
7
6
31
30
32
5
28
4
10
6
5
12
29
1,41
14
12
13
13
14
40
15
15
10
24
25
15
15
17
18
19
19
23
19
19
20
26
27
26
21
20
20
18
21
21
22
22
16
16
41
41
41
41
41
41
42,37,40
42,37,40

Table of Contents