EasyManua.ls Logo

LeeBoy 3000C - Hydraulic Hose Schematic (1 of 3)

LeeBoy 3000C
238 pages
Print Icon
To Next Page IconTo Next Page
To Next Page IconTo Next Page
To Previous Page IconTo Previous Page
To Previous Page IconTo Previous Page
Loading...
7
6
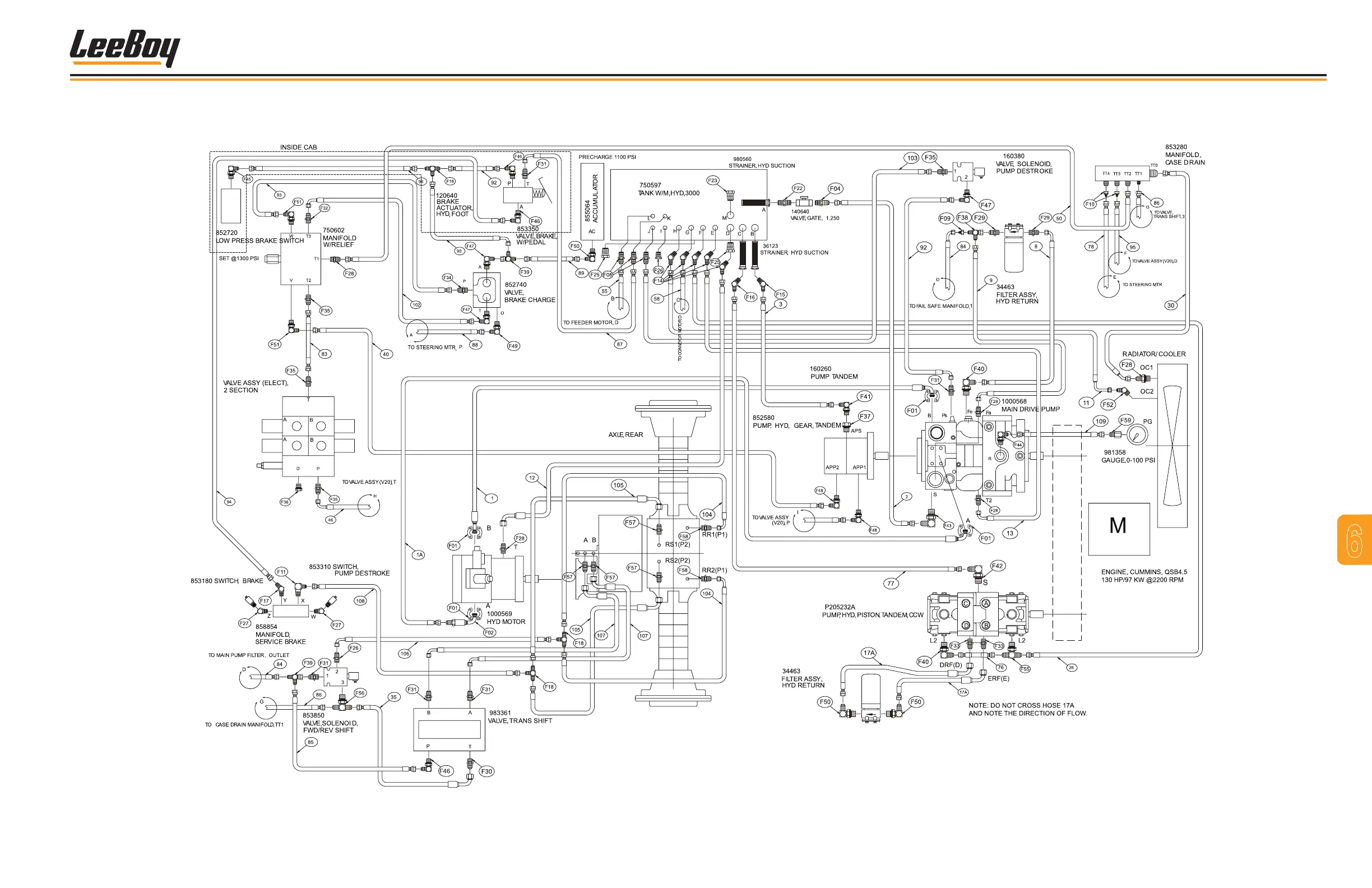
3000C Force Feed Loader 6-29
Schematics
Figure 6-14. Hydraulic Hose Schematic - 1 of 3
HYDRAULIC HOSE SCHEMATIC (1 OF 3)
Part # 1013188
1010634
1011263-03
1011263
1011868

Table of Contents