EasyManua.ls Logo

LeeBoy 3000C - Hydraulic Schematic (2 of 2)

LeeBoy 3000C
238 pages
Print Icon
To Next Page IconTo Next Page
To Next Page IconTo Next Page
To Previous Page IconTo Previous Page
To Previous Page IconTo Previous Page
Loading...
7
6
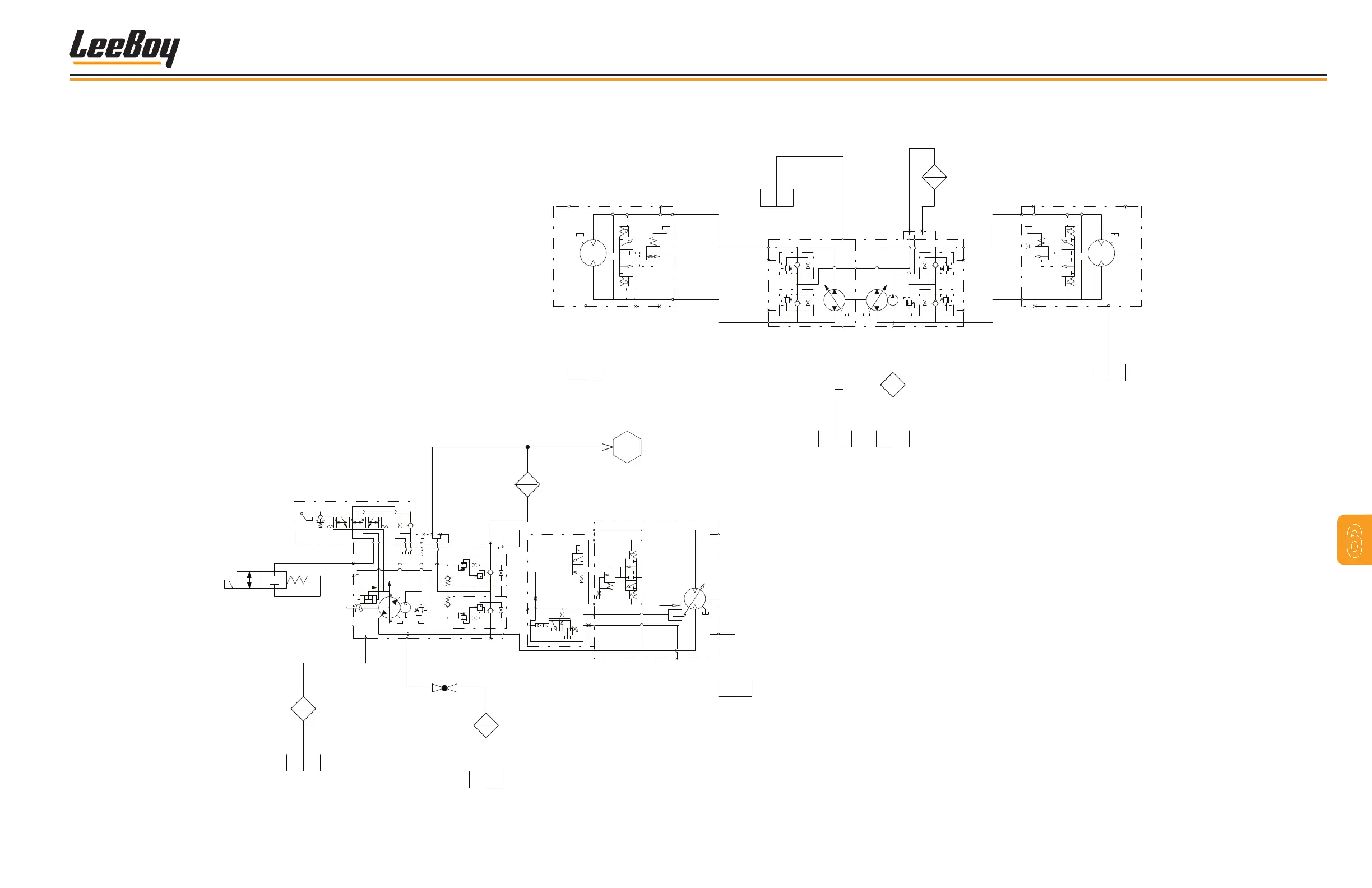
3000C Force Feed Loader 6-27
Schematics
Figure 6-13. Hydraulic Schematic - 2 of 2
HYDRAULIC SCHEMATIC (2 OF 2)
Part # 1014855
1x
1.4mm
A(ccw) N B(cw)
ccw
flow out B
min.
disp.
/1.F11
L1
S
B
M2
M1
A
D
E
L2
C
M3
M4
D
-P3
TANDEM PISTON PUMP
P205232A
IN
OUT
34463
-F2
CHARGE FILTER
IN
OUT
36123
-F5
200 MESH, 15 GPM
STRAINER
L1
L2
A
B
-M4
FEEDER DRIVE MOTOR
710100
L1
L2
A
B
-M5
CONVEYOR DRIVE MOTOR
750310
L1
S
M2
L2
M4
M5
B
A
M1
E
M3
D
-P2
MAIN DRIVE PUMP
1000568
L1
L2
A
M3
B
M4
-M3
HYDRAULIC MOTOR
1000569
IN
OUT
34463
-F3
HYDRAULIC RETURN FILTER
2
1
-V11
160380
PUMP DESTROKE VALVE
FRW/REV SHIFT
-V13
140640
OUT
IN
IN
OUT
36123
-F6
200 MESH, 15 GPM
STRAINER
IN
OUT
980560
-F8
100 MESH, 25 GPM, 5 PSI BYPASS
SUCTION STRAINER

Table of Contents