EasyManua.ls Logo

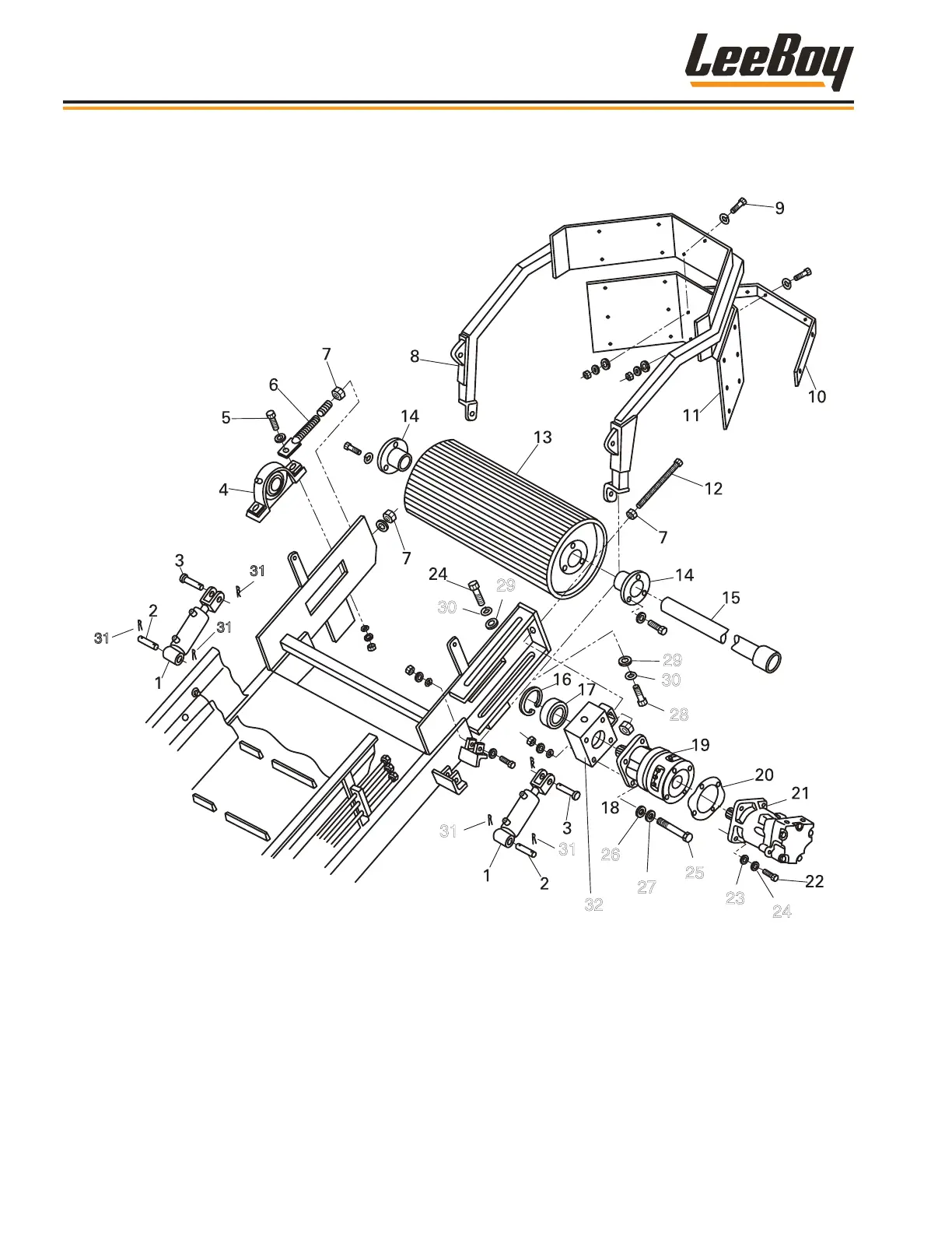
LeeBoy 3000C - Head Pulley Assembly

LeeBoy 3000C
238 pages
Print Icon
To Next Page IconTo Next Page
To Next Page IconTo Next Page
To Previous Page IconTo Previous Page
To Previous Page IconTo Previous Page
Loading...
Illustrated Parts List
3000C Force Feed Loader7-48
HEAD PULLEY ASSEMBLY
Figure 7-21. Head Pulley Assembly
31
31
31
24
23
25
27
26
29
30
28
29
30
32
31
31

Table of Contents