EasyManua.ls Logo

Leibinger Jet 2 - Page 160

Leibinger Jet 2
178 pages
Print Icon
To Next Page IconTo Next Page
To Next Page IconTo Next Page
To Previous Page IconTo Previous Page
To Previous Page IconTo Previous Page
Loading...
Group 12 Appendix Page 160
Release 3.00 Leibinger-Jet 2 se
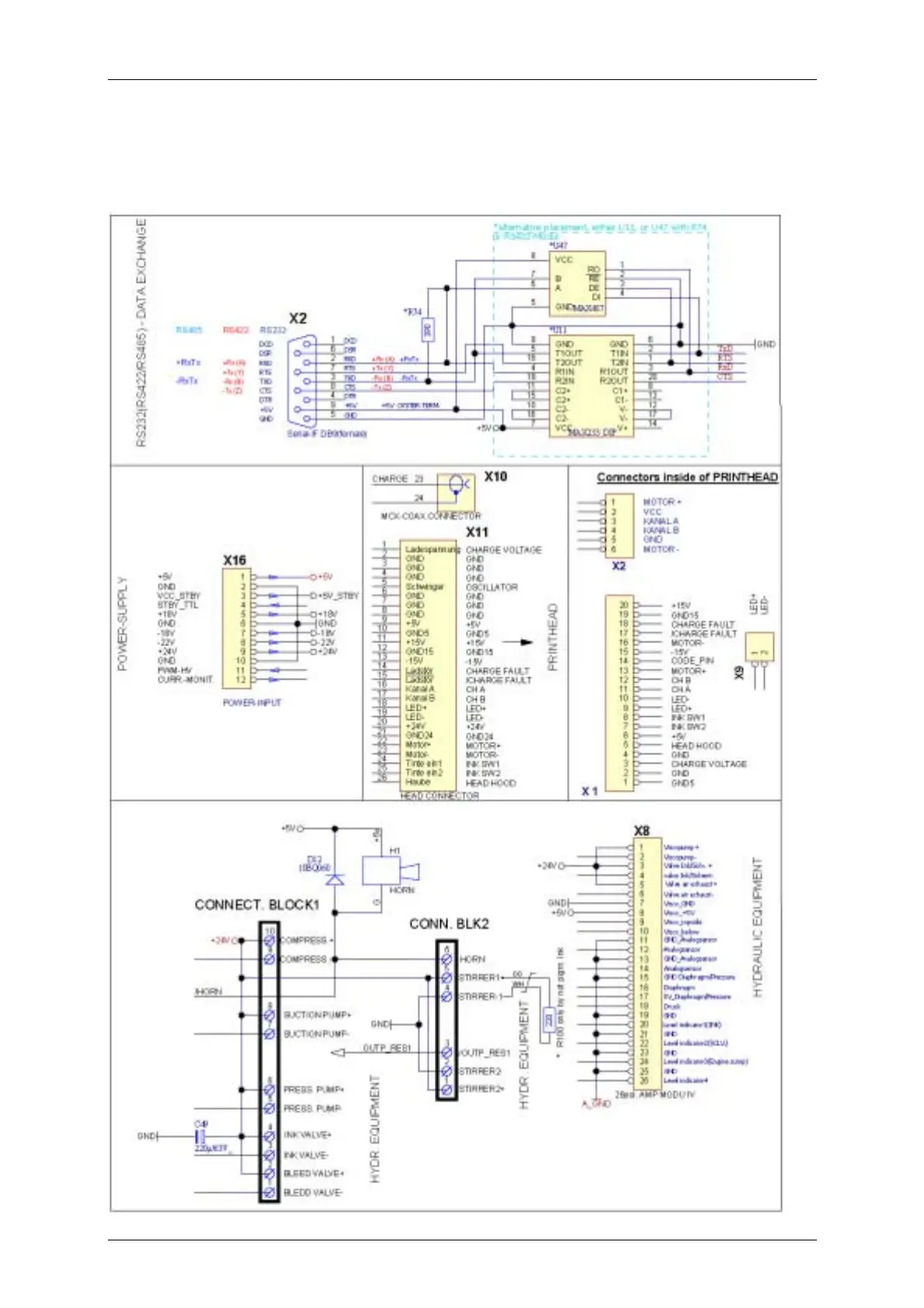
Figure 117
Interface layout plan part no. 2

Table of Contents

Related product manuals