EasyManua.ls Logo

Mercury Optimax 115 - Page 229

Mercury Optimax 115
522 pages
Print Icon
To Next Page IconTo Next Page
To Next Page IconTo Next Page
To Previous Page IconTo Previous Page
To Previous Page IconTo Previous Page
Loading...
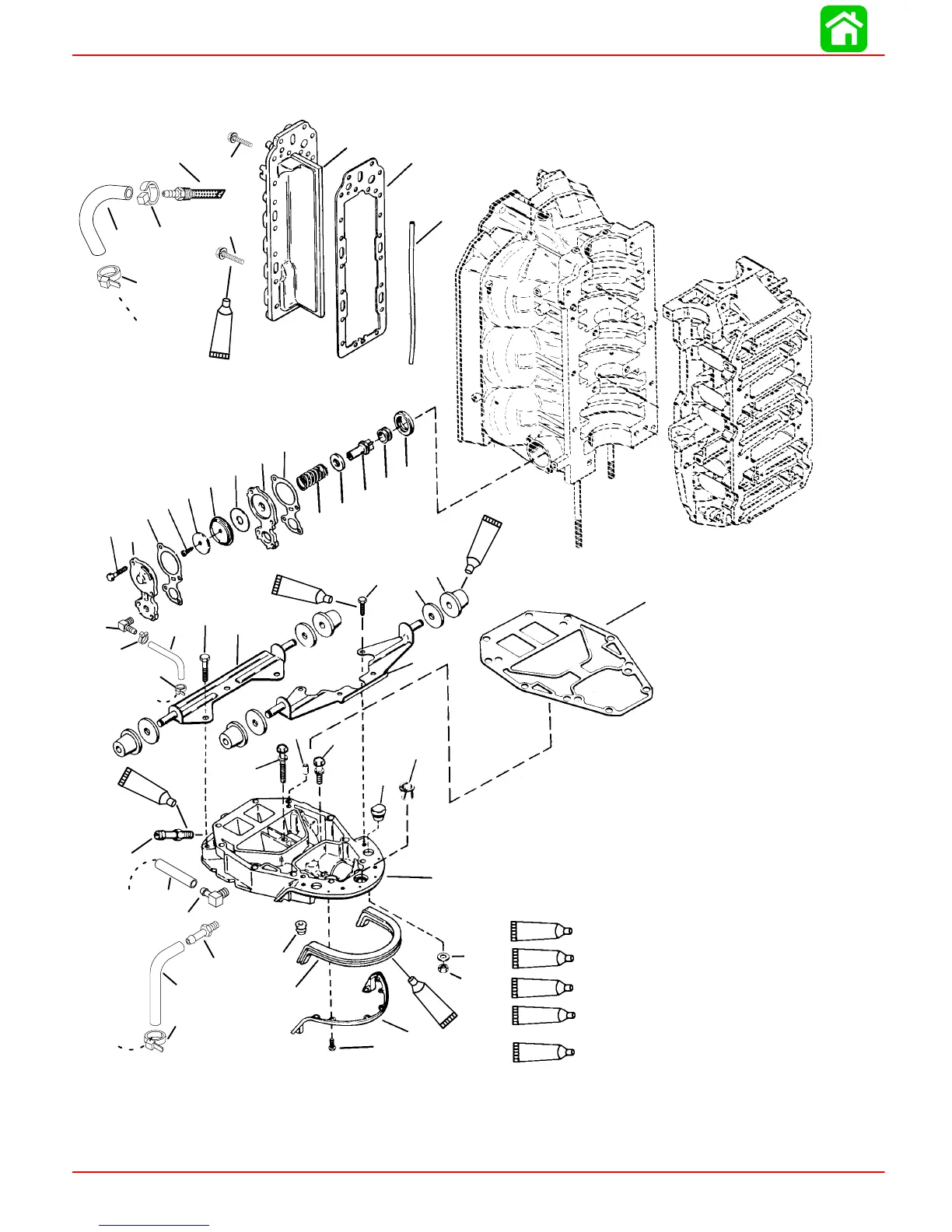
POWERHEAD
Page 4A-6 90-855347R1 JANUARY 1999
Exhaust Manifold and Exhaust Plate
1
2
3
31
4
5
8
9
10
11
12
18
13
14
15
16
17
19
20
21
22
23
24
25
30
26
27
28
29
37
38
39
33
34
40
41
42
43
44
45
46
47
18
10
32
35
36
10
10
6
7
D
A
B
C
10
Permabond 105 Cyanacrylate Adhesive
(Purchase Locally)
62
95
51
9
62
7
A = TO FUEL COOLER WATER IN B = TO FUEL COOLER WATER OUT FITTING
C = TO LOWER PORT FUEL RAIL SIDE FITTING
D = TO AIR COMPRESSOR LOWER WATER INLET FITTING
51
Loctite 222 (92-809818)
7
Loctite 271 (92-809820)
95
2-4-C With Teflon (92-825407A12)
Loctite PST Pipe Sealant (92-809822)
9

Table of Contents

Other manuals for Mercury Optimax 115

Related product manuals