EasyManua.ls Logo

Mercury Optimax 115 - Page 233

Mercury Optimax 115
522 pages
Print Icon
To Next Page IconTo Next Page
To Next Page IconTo Next Page
To Previous Page IconTo Previous Page
To Previous Page IconTo Previous Page
Loading...
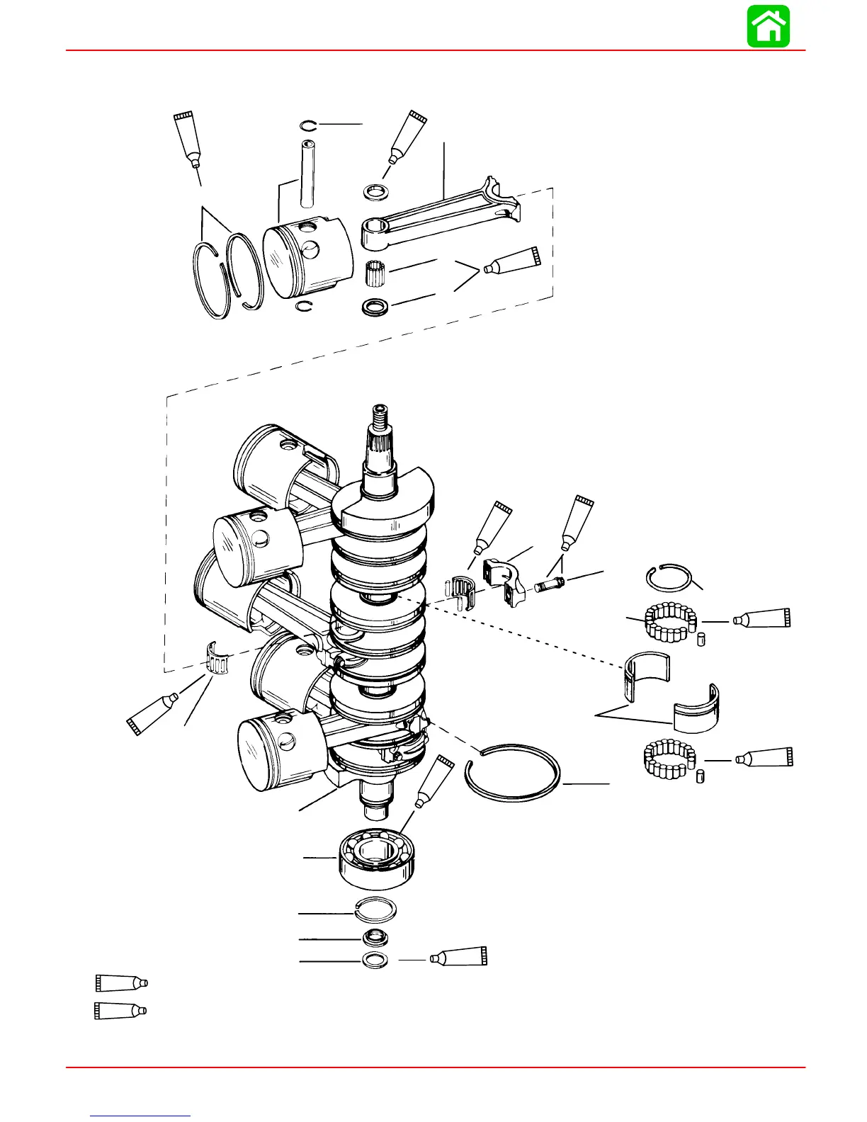
POWERHEAD
Page 4A-10 90-855347R1 JANUARY 1999
Crankshaft, Pistons and Connecting Rods
1
2
3
8
4
5
6
7
12
13
14
15
16
12
9
10
11
8
14
95
95
95
95
14
95
95
9514
14
2 Cycle Outboard Oil (92-13249A24)
95
2-4-C w/Teflon (92-825407A12)

Table of Contents

Other manuals for Mercury Optimax 115

Related product manuals