EasyManua.ls Logo

Mercury Optimax 115 - Page 362

Mercury Optimax 115
522 pages
To Next Page IconTo Next Page
To Next Page IconTo Next Page
To Previous Page IconTo Previous Page
To Previous Page IconTo Previous Page
Loading...
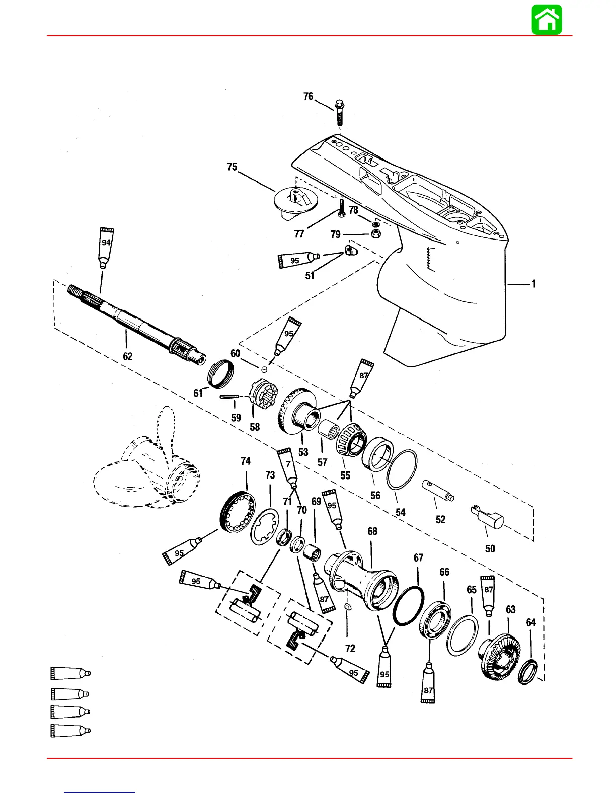
RIGHT HAND NON-RATCHETING
Page 6A-8 90-855347R1 JANUARY 1999
Gear Housing (Prop Shaft)(Standard Rotation)
87
Super Duty Gear Lubricant (92-13783A24)
4.75 IN./120.65MM
TORPEDO DIA.
7
Loctite 271 (92-809820)
94
Anti-Corrosion Grease (92-78376A6)
95
2-4-C With Teflon (92-825407A12)

Table of Contents

Other manuals for Mercury Optimax 115

Related product manuals