EasyManua.ls Logo

Mercury Optimax 115 - Page 407

Mercury Optimax 115
522 pages
Print Icon
To Next Page IconTo Next Page
To Next Page IconTo Next Page
To Previous Page IconTo Previous Page
To Previous Page IconTo Previous Page
Loading...
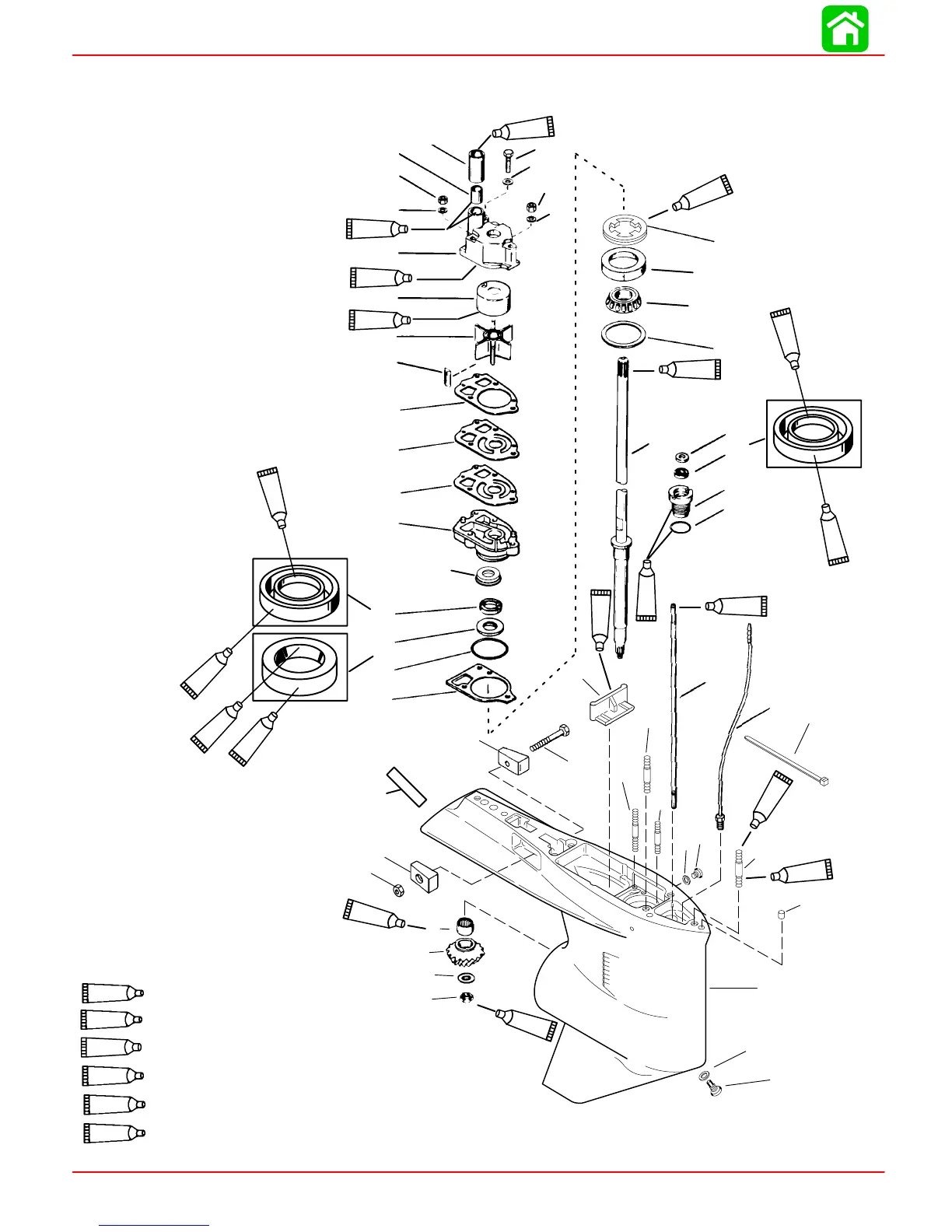
LEFT HAND NON-RATCHETING
Page 6B-6 90-855347R1 JANUARY 1999
Gear Housing (Drive Shaft)(Counter Rotation)
23
95
95
7
95
95
95
98
33
7
95
95
7
95
19
95
109
95
Soap (Purchase Locally)
23
4.75 IN./120.65 MM
TORPEDO DIA.
7
Loctite 271 (92-809820)
Perfect Seal (92-34227-1)
19
Loctite 680 (92-809833)
33
95
2-4-C With Teflon (92-825407A12)
109
GM Silicone Sealer (92-91600-1)
1
2
3
4
5
6
7
8
9
10
10
11
12
13
14
15
16
17
18
19
20
21
22
23
24
25
26
27
28
29
30
31
32
33
34
35
36
37
38
39
40
41
42
43
44
45
46
47
48
49
50
7
19

Table of Contents

Other manuals for Mercury Optimax 115

Related product manuals