EasyManua.ls Logo

NF ZM2376 - Principle of Operation

NF ZM2376
218 pages
Print Icon
To Next Page IconTo Next Page
To Next Page IconTo Next Page
To Previous Page IconTo Previous Page
To Previous Page IconTo Previous Page
Loading...
1.4 Principle of Operation
1-6 ZM2376
1.4 Principle of Operation
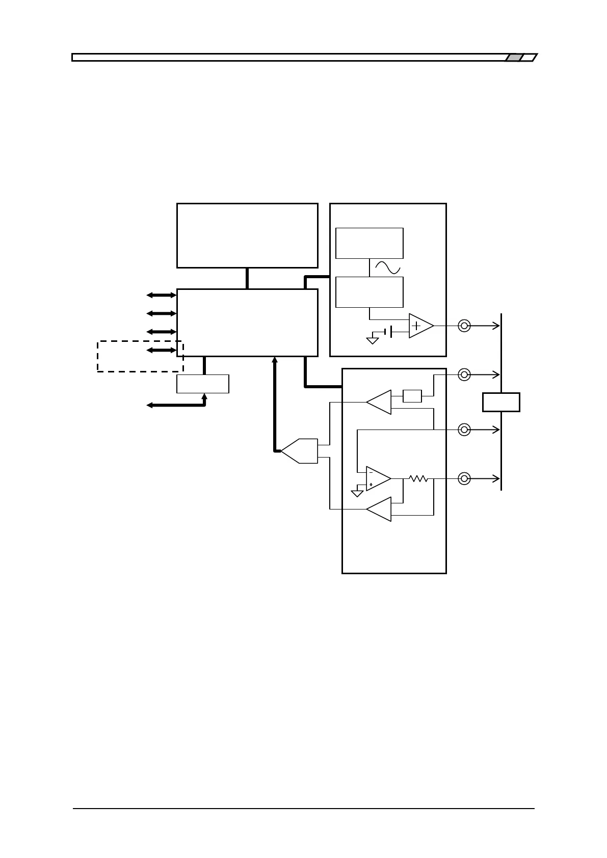
The ZM2376 gives sine wave signal from an internal oscillator to the DUT (Device Under Test). The
impedance bridge detects the current I flowing in DUT and the voltage V applied to DUT, and then the
main processor obtains the impedance Z (= V / I). The parameters such as inductance L, capacitance C,
resistance R, etc. are calculated from the impedance (magnitude, phase angle).
Figure 1-1 Block Diagram
Main Processor
According to the user’s operation, the main processor controls the oscillator and impedance bridge to
calculate the vector ratio from the voltage signal and current signal obtained from the DUT. Then, the
main processor makes necessary correction, and finally converts the data into the required parameter
to be displayed or output.
Main Processor
Panel
LCD Character Display,
Key & Lamp
GPIB
RS-232
Isolator
A/D
V
signal
Handler
Interface
DUT
I
signal
HCUR
HPOT
LPOT
LCUR
USB
Oscillator
Power
Amp
Frequency
Synthesizer
Amplitude
Control
DC Bias
Impedance
Bridge
R_range
diff-AMP
diff-AMP
DC canceller
LAN
(Option)

Table of Contents

Related product manuals