EasyManua.ls Logo

Olivetti PR4 SR - Page 38

Olivetti PR4 SR
79 pages
Print Icon
To Next Page IconTo Next Page
To Next Page IconTo Next Page
To Previous Page IconTo Previous Page
To Previous Page IconTo Previous Page
Loading...
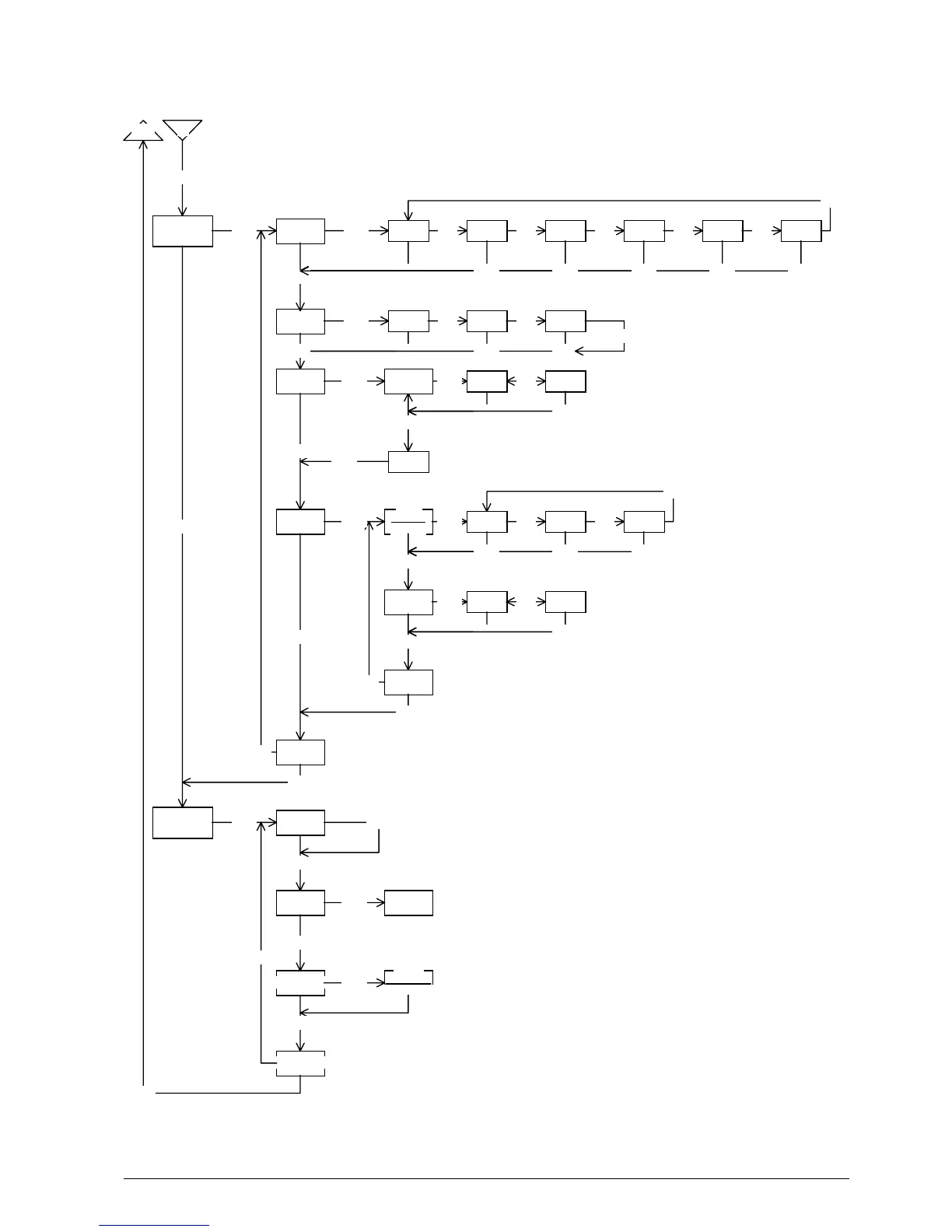
XYAA6336 Service Manual 4-5
enter
enter enterenter
skip
SAVE STOP
LOAD
DEFAULT
skip
PRINT
skip
NAZ.3 NAZ.4
DEFAULT
RESTART
NAZ.5enter NAZ.nnskip skip skip skipUSER
SAVE enter
enter skip
skip
enterenterenterenter
SI
UP
Nation
enter
OPTION
OTHERS
UP
enter skip
enter
skip
enter
skip
enter
TIME
WAITS
enter
SI/SO
UPskip
enter
skip
skip
NO SIenter skip
enter enter
OUT IN
skip
enter
enter
CPI 12 15 17.1
NAZ.1 NAZ.2
enter skip
CUTTER NO
0.35 0,7 1
skip
skip
enter
enter
skip
skip
skip
skip
skip
skip skip
enterenterenter
enter
skip
enter
enter
skip

Table of Contents

Related product manuals