EasyManua.ls Logo

Olivetti PR4 SR - 4.2.4 Setup Diagrams - Epson Emulation

Olivetti PR4 SR
79 pages
Print Icon
To Next Page IconTo Next Page
To Next Page IconTo Next Page
To Previous Page IconTo Previous Page
To Previous Page IconTo Previous Page
Loading...
4-6Service ManualXYAA6336
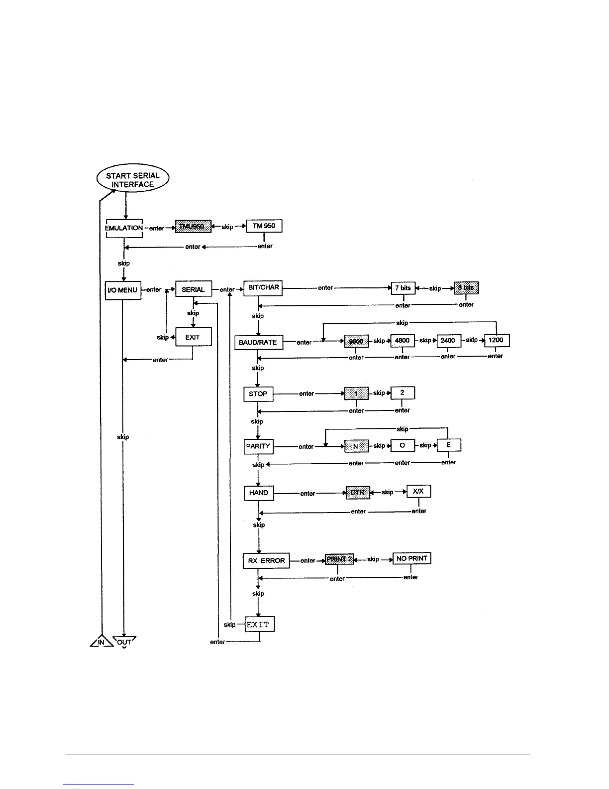
4.2.4 SET-UP Diagram
(EPSON Emulation)
With the printer in the Setup mode, select the
parameters by following the flow charts provided
below.

Table of Contents

Related product manuals