EasyManua.ls Logo

PFAFF silberblau 8311 - Circuit Diagrams; Circuit Diagram Overview

Default Icon
102 pages
Print Icon
To Next Page IconTo Next Page
To Next Page IconTo Next Page
To Previous Page IconTo Previous Page
To Previous Page IconTo Previous Page
Loading...
97
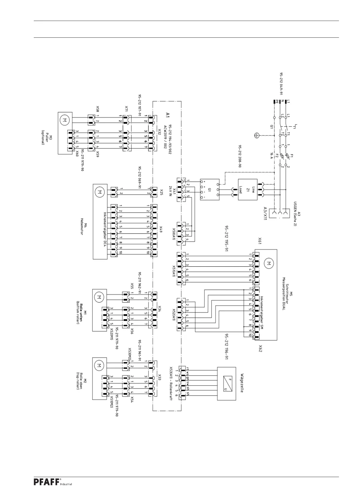
95-212 203-95 Part 1 Version 27.05.19 Circuit diagram overview
14.01 Circuit Diagrams 95-212 203-95

Table of Contents