EasyManua.ls Logo

Polaroid Spectra/Image One Board - Page 75

Polaroid Spectra/Image One Board
78 pages
Print Icon
To Next Page IconTo Next Page
To Next Page IconTo Next Page
To Previous Page IconTo Previous Page
To Previous Page IconTo Previous Page
Loading...
75
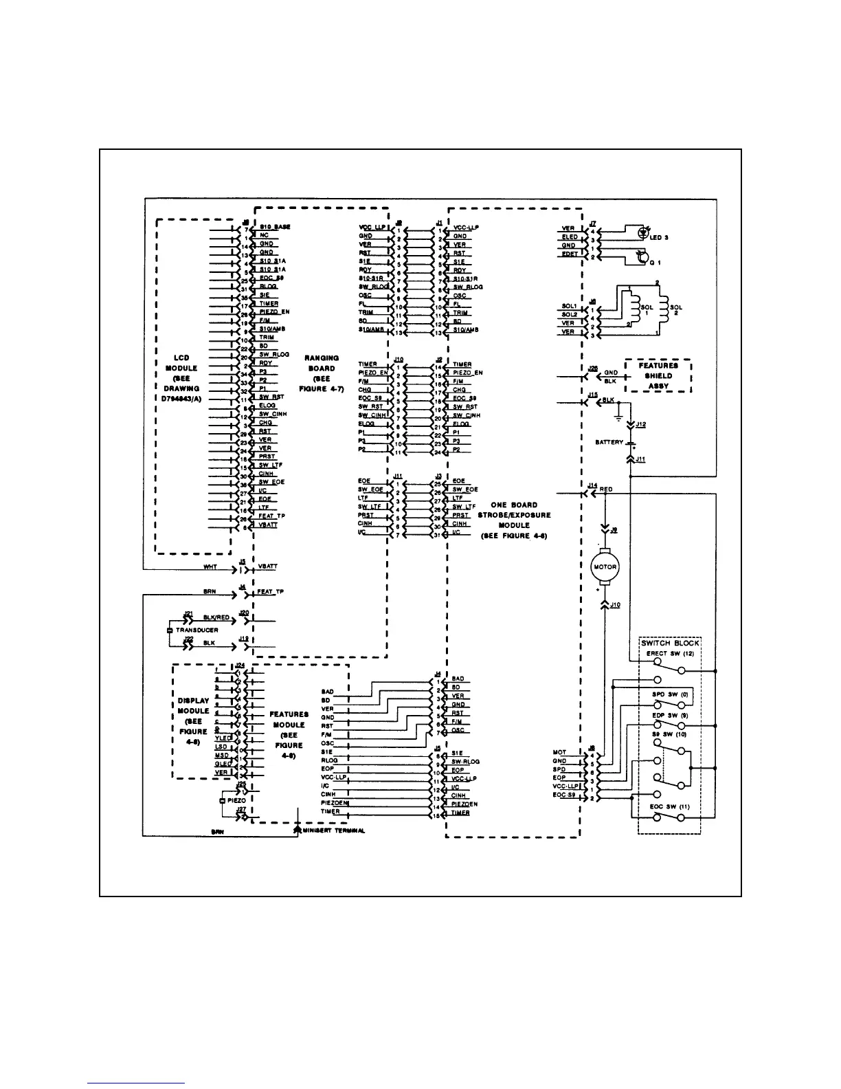
Figure 4-5. Spectra pro/image pro/minolta pro system schematic

Table of Contents

Related product manuals