EasyManua.ls Logo

Polysoude P6 - P6 Power Source Block Diagram

Default Icon
92 pages
Print Icon
To Next Page IconTo Next Page
To Next Page IconTo Next Page
To Previous Page IconTo Previous Page
To Previous Page IconTo Previous Page
Loading...
THE ART OF WELDING
P6
PN-0509076 Rev. 16 77-92
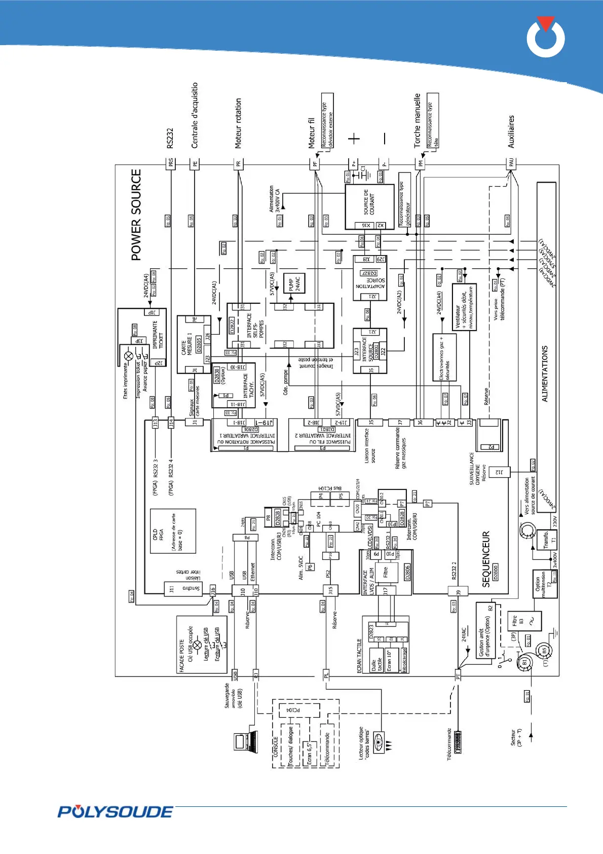
Fig. 6.17 - Block diagram of the P6 power source

Table of Contents

Related product manuals