EasyManua.ls Logo

Powerware 9330 - Page 207

Powerware 9330
268 pages
Print Icon
To Next Page IconTo Next Page
To Next Page IconTo Next Page
To Previous Page IconTo Previous Page
To Previous Page IconTo Previous Page
Loading...
A --- 3 3
Powerware 9330 (10 kVA--40 kVA) Installation and Operation
164201300 Rev . N 013004
DESCRIPTION:
DATE:
DRAWING NO: SHEET:
REVI SION:
N
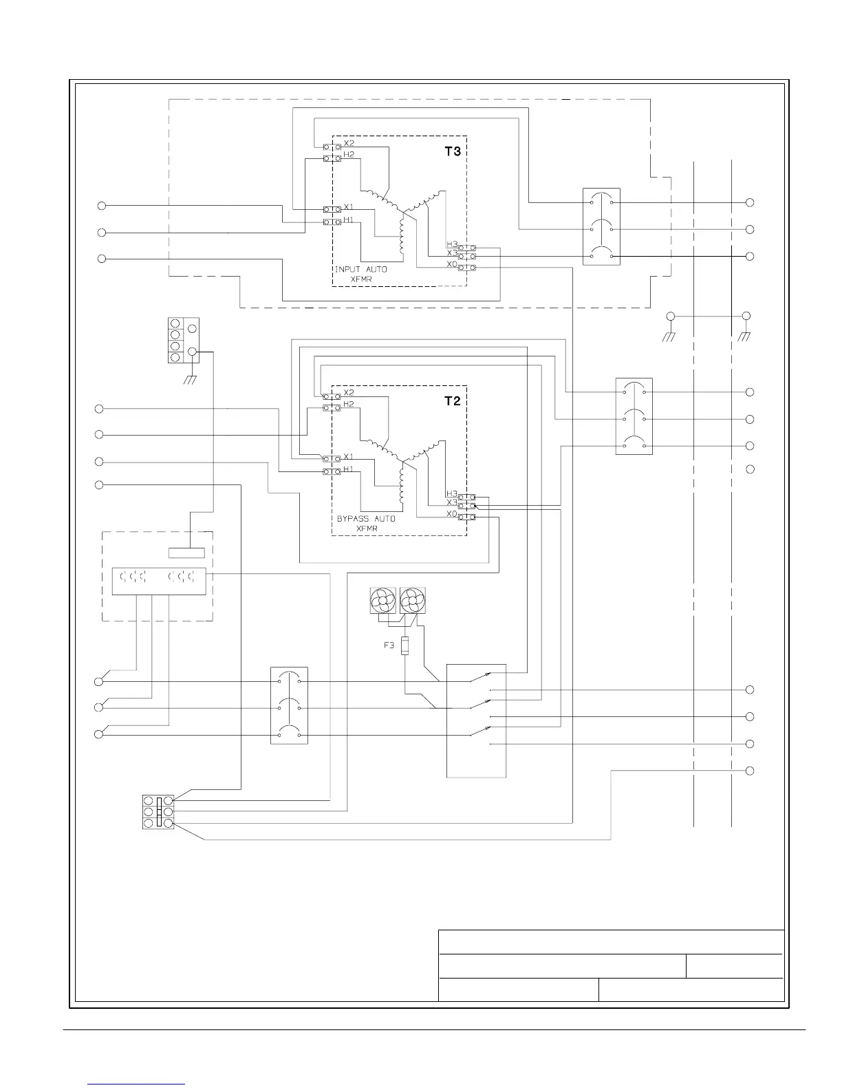
OPTIONS CABINET SCHEMATICS
2of18
013004
UPS SYSTEM OPTIONS CABINET CONFIGURATIONS
POWERWARE 9330 (10 kVA---20 kVA)
WITH AUTO TRANSFORMERS
B
A
C
A
B
DISTRIBUTION
42 CIRCUIT
CABINET
I/O
SW1
N
1
C
6
B
5
2
CB3
CB2
A
2
C
1
3
1
BREAKER
INPUT
C
5
BYPASS
B
A
5
6
IN
6
BYPASS
INTER--
IN
4
2
GND
OUTPUT
B1
4
BREAKER
L1
B2
CB1
3
3
BREAKER
BYPASS
1
L2
MAINS
EXT. WRAP
2
L3
70A
1
70A
7
N
1
AC LOADS
5
9
CABINET
11
WIRING
12
4
8
70A
3
4
2
C
B
A
A
OPTIONAL
OPTIONAL
OUT
C
B
UPS
CABINET
480V
MAINS IN
480V
BYPASS IN
AC LOAD OUT
BYPASS SWITCH; WITHOUT DISTRIBUTION
BYPASS SWITCH; WITHOUT DISTRIBUTION
SINGLE FEED; INPUT TRANSFORMER;
BYPASS SWITCH; WITH DISTRIBUTION
DUAL FEED; DUAL INPUT TRANSFORMERS;
SINGLE FEED; INPUT TRANSFORMER;
BYPASS SWITCH; WITH DISTRIBUTION
DUAL FEED; DUAL INPUT TRANSFORMERS;
CONFIGURATION
CONFIGURATION
CONFIGURATION
CONFIGURATION
GND
GND
N
N
N
E1
E2
E3
E6
E7
E8
E12
E12
E9
E10
E11
P/O = PART OF
208/120V
P/O TB1
P/O TB1
P/O TB1
P/O TB1
GND BLK
GND
4-- POLE
P/O TB1
164201300---7

Table of Contents

Other manuals for Powerware 9330

Related product manuals