EasyManua.ls Logo

Powerware 9330 - Page 212

Powerware 9330
268 pages
Print Icon
To Next Page IconTo Next Page
To Next Page IconTo Next Page
To Previous Page IconTo Previous Page
To Previous Page IconTo Previous Page
Loading...
A --- 3 8
Powerware 9330 (10 kVA--40 kVA) Installation and Operation
164201300 Rev . N 013004
DESCRIPTION:
DATE:
DRAWING NO: SHEET:
REVI SION:
N
7of18
013004
IN
BYPASS
N
C
IN
MAINS
A
B
CABINET
I/O
C
B
A
C
B
A
C
B
A
CABINET
3
1
7
5
9
11
12
8
4
4
65
3
12
70A
WIRING
GND
N
N
N
BYPASS
EXT. WRAP
OUTPUT
BREAKER
BYPASS
OUT
IN
IN
SW1
B1 B2
1
2
1
2
INTER--
MAINS
AC LOADS
C
A
B
C
B
A
70A
56
43
21
BREAKER
INPUT
CB1
CB2
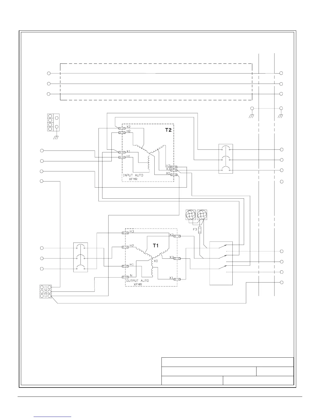
DUAL FEED; BYPASS INPUT TRANSFORMER AND OUTPUT
CONFIGURATION
UPS
CABINET
UPS SYSTEM OPTIONS CABINET CONFIGURATIONS
POWERWARE 9330 (10 kVA---20 kVA)
WITH AUTO TRANSFORMERS
AC LOADS
OUT
480V
480V
OPTIONS CABINET SCHEMATICS
164201300---7
GND
P/O TB1
P/O TB1
P/O TB1
E1
E2
E3
E6
E7
E8
E12
E12
E9
E10
E11
P/O TB1
P/O = PART OF
OPTIONAL
SINGLE FEED; BYPASS INPUT TRANSFORMER AND OUTPUT
CONFIGURATION
GND BLK
GND
4-- POLE
P/O TB1
208V
TRANSFORMER; BYPASS SWITCH; WITHOUT DISTRIBUTION
TRANSFORMER; BYPASS SWITCH; WITHOUT DISTRIBUTION

Table of Contents

Other manuals for Powerware 9330

Related product manuals