EasyManua.ls Logo

Powerware 9330 - Page 215

Powerware 9330
268 pages
Print Icon
To Next Page IconTo Next Page
To Next Page IconTo Next Page
To Previous Page IconTo Previous Page
To Previous Page IconTo Previous Page
Loading...
A --- 4 1
Powerware 9330 (10 kVA--40 kVA) Installation and Operation
164201300 Rev . N 013004
DESCRIPTION:
DATE:
DRAWING NO: SHEET:
REVI SION:
N
10 of 18
013004
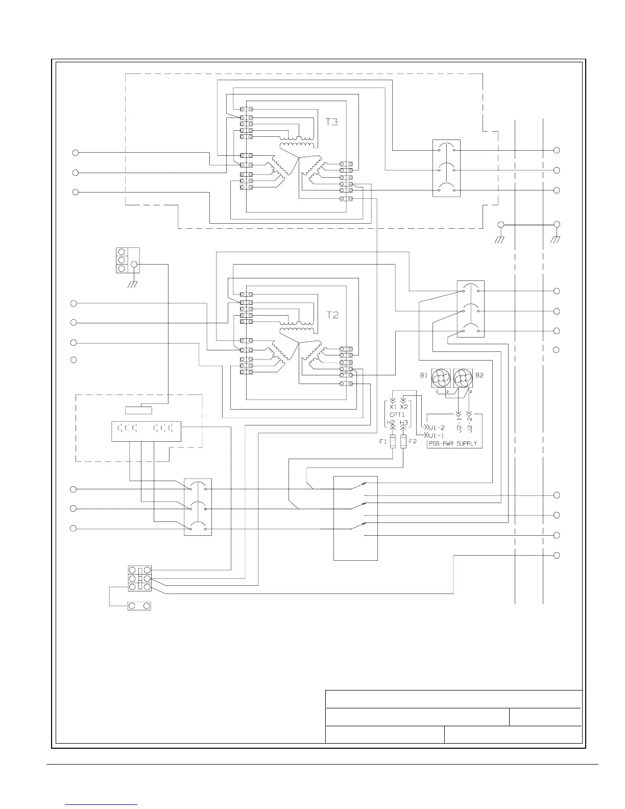
UPS SYSTEM OPTIONS CABINET CONFIGURATIONS
POWERWARE 9330 (25 kVA---40 kVA)
WITH ISOLATION TRANSFORMERS
B
A
C
A
B
DISTRIBUTION
N
42 CIRCUIT
CABINET
I/O
SW1
N
X2
H21
H2
1
H2
X0
H21
X2
X3
H22
XFMR
H3
C
H13
6
H23
MAIN ISO
H31
B
BYPASS
X1
5
2
CB3
CB2
H32
A
ISO XFMR
H31
2
H33
C
1
3
1
BREAKER
X1
INPUT
C
5
BYPASS
B
A
5
H3
H1
6
IN
6
BYPASS
INTER--
IN
4
GND
OUTPUT
H22
4
BREAKER
H11
L1
CB1
3
3
BREAKER
BYPASS
1
L2
MAINS
EXT. WRAP
2
X3
H11
L3
150A
150A
7
N
H33
AC LOADS
H23
5
H12
9
H13
CABINET
11
WIRING
H1
12
X0
H12
4
8
150A
3
4
H32
C
B
A
A
OPTIONAL
OPTIONAL
OUT
C
B
UPS
CABINET
MAINS IN
BYPASS IN
AC LOAD OUT
BYPASS SWITCH; WITHOUT DISTRIBUTION
BYPASS SWITCH; WITHOUT DISTRIBUTION
SINGLE FEED; INPUT TRANSFORMER;
BYPASS SWITCH; WITH DISTRIBUTION
DUAL FEED; DUAL INPUT TRANSFORMERS;
SINGLE FEED; INPUT TRANSFORMER;
BYPASS SWITCH; WITH DISTRIBUTION
DUAL FEED; DUAL INPUT TRANSFORMERS;
CONFIGURATION
CONFIGURATION
CONFIGURATION
CONFIGURATION
OPTIONS CABINET SCHEMATICS
164201300---7
N
(208V, 600V
480V
OPTIONAL)
(208V, 600V
480V
OPTIONAL)
208/120V
P/O = PART OF
E1
E2
E3
E6
E7
E8
E12
E12
E9
E10
E11
GND
GND
GND BLK
GND
4-- POLE
P/O
GND
N
NEUTRAL TO
GND BOND
GND BLK
4-- POLE
P/O
P/O TB1
P/O TB1
P/O TB1
P/O TB1

Table of Contents

Other manuals for Powerware 9330

Related product manuals