EasyManua.ls Logo

Powerware 9330 - Page 223

Powerware 9330
268 pages
Print Icon
To Next Page IconTo Next Page
To Next Page IconTo Next Page
To Previous Page IconTo Previous Page
To Previous Page IconTo Previous Page
Loading...
A --- 4 9
Powerware 9330 (10 kVA--40 kVA) Installation and Operation
164201300 Rev . N 013004
DESCRIPTION:
DATE:
DRAWING NO: SHEET:
REVI SION:
N
18 of 18
013004
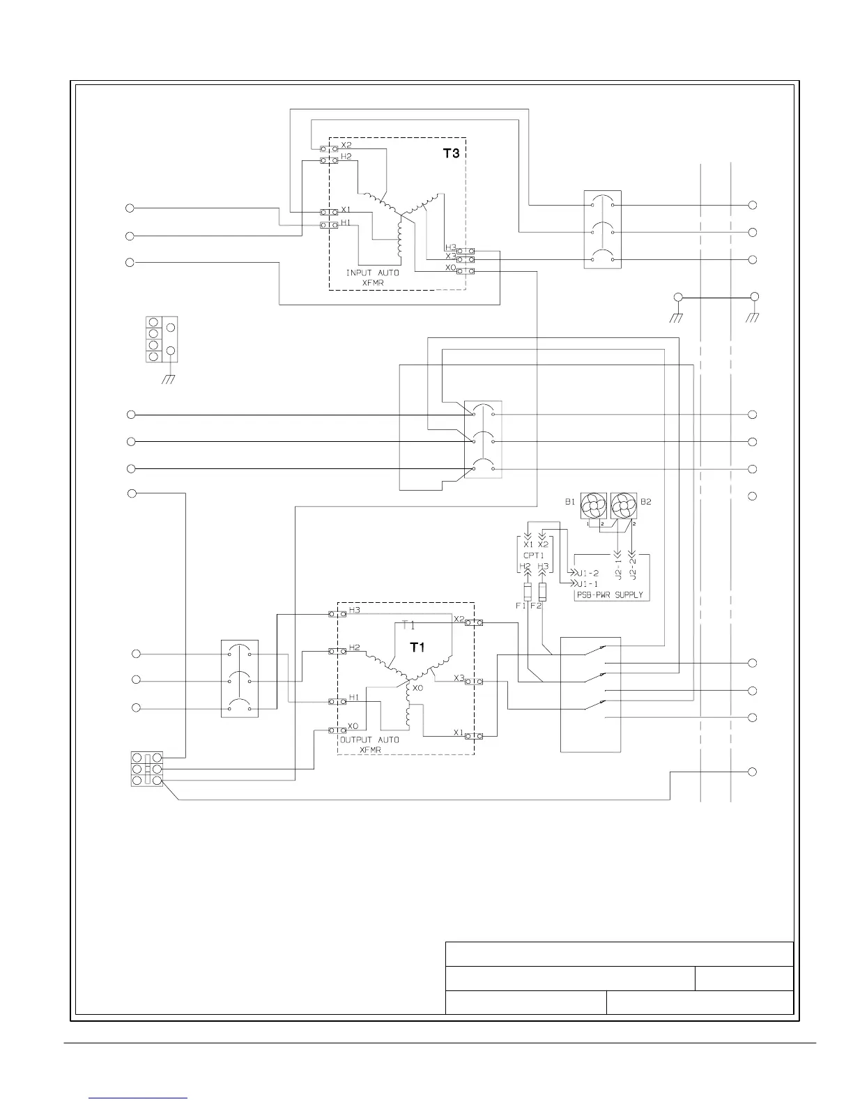
UPS SYSTEM OPTIONS CABINET CONFIGURATIONS
POWERWARE 9330 (25 kVA---40 kVA)
WITH AUTO TRANSFORMERS
IN
BYPASS
C
B
A
C
A
B
C
B
A
C
B
A
C
B
A
CABINET
4
65
3
12
150A
WIRING
N
OUTPUT
BREAKER
BYPASS
OUT
IN
IN
INTER--
MAINS
AC LOADS
CB2
UPS
CABINET
OPTIONS CABINET SCHEMATICS
164201300---7
3
1
7
5
9
11
12
8
4
150A
56
43
2
1
BYPASS
EXT. WRAP
BYPASS
BREAKER
SW1
CB3
N
N
CABINET
I/O
5
21
INPUT
C
B
A
6
4
BREAKER
CB1
3
150A
MAINS IN
AC LOADS
OUT
480V
480V
P/O = PART OF
E1
E2
E3
E6
E7
E8
E12
E12
E9
E10
E11
GND
GND
P/O TB1
P/O TB1
P/O TB1
P/O TB1
N
GND BLK
GND
4-- POLE
208/120V
CONFIGURATION
DUAL FEED; MAINS INPUT TRANSFORMER; OUTPUT
TRANSFORMER; BYPASS SWITCH; WITHOUT DISTRIBUTION

Table of Contents

Other manuals for Powerware 9330

Related product manuals