EasyManua.ls Logo

Ricoh FT9101 - Page 310

Ricoh FT9101
635 pages
Print Icon
To Next Page IconTo Next Page
To Next Page IconTo Next Page
To Previous Page IconTo Previous Page
To Previous Page IconTo Previous Page
Loading...
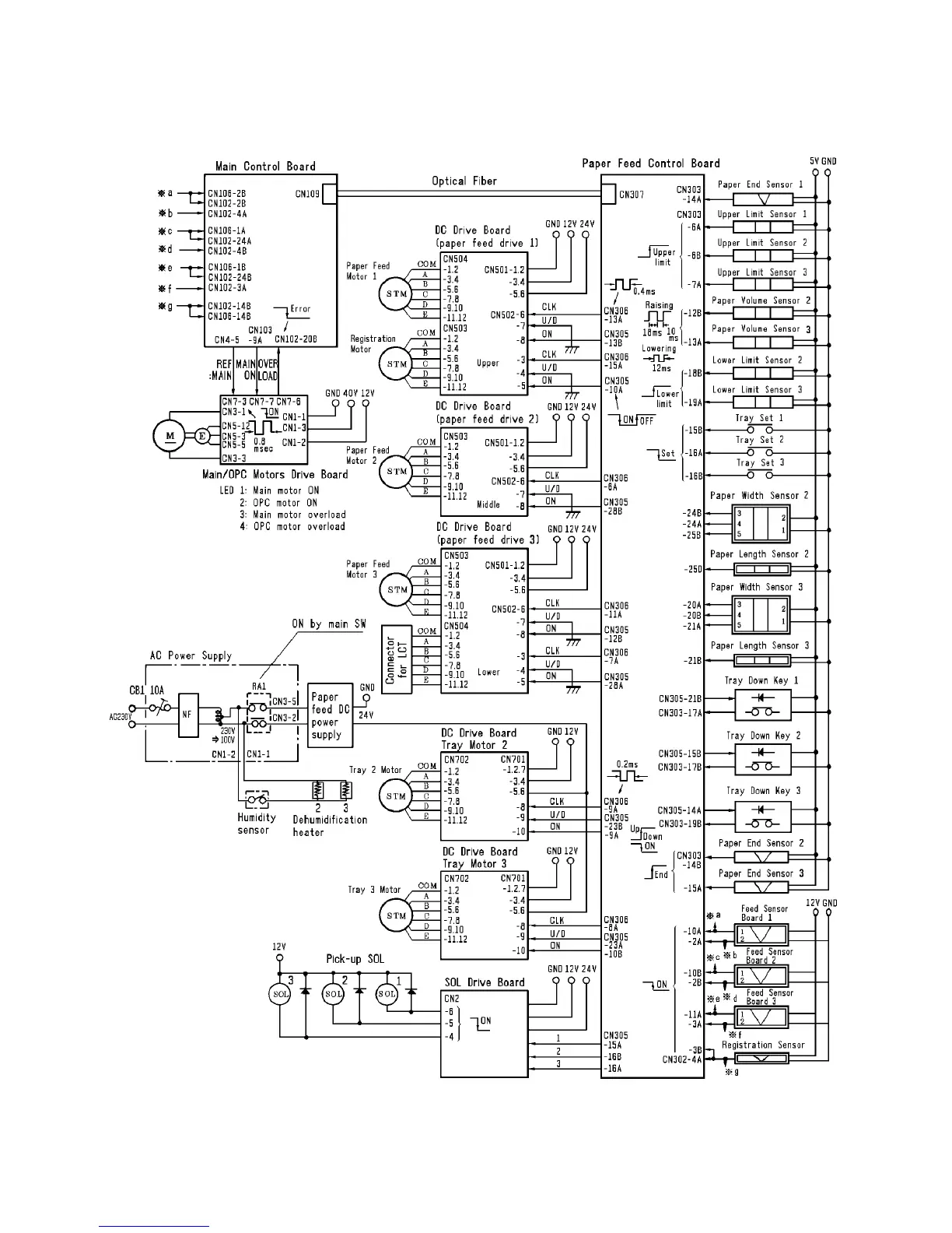
2.1.11 Paper feed operation
Circuit diagram
Paper Feed
1 July 1994
2-10

Table of Contents