EasyManua.ls Logo

Ricoh FT9101 - Page 333

Ricoh FT9101
635 pages
Print Icon
To Next Page IconTo Next Page
To Next Page IconTo Next Page
To Previous Page IconTo Previous Page
To Previous Page IconTo Previous Page
Loading...
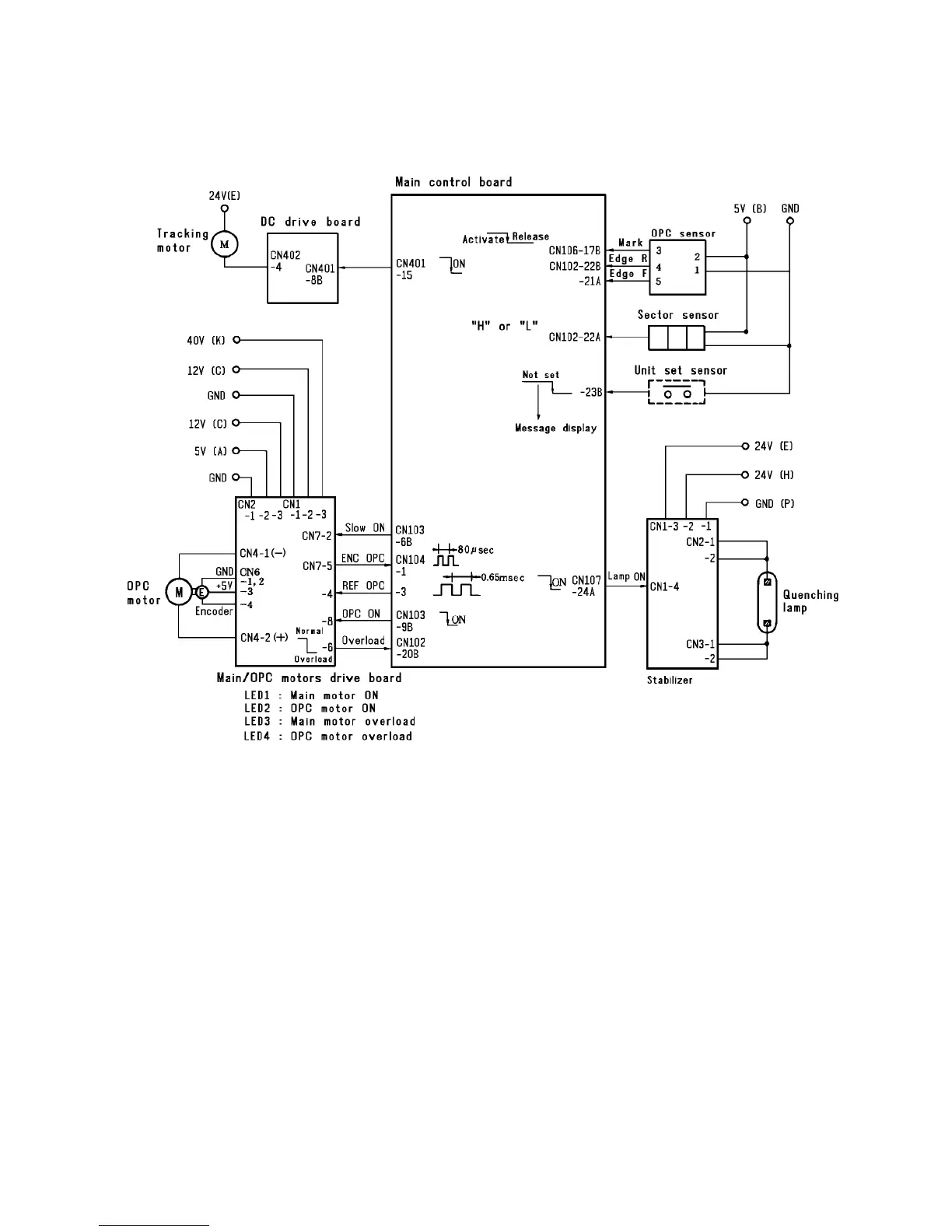
2.3.9 OPC unit operation
Circuit diagram
1 July 1994
OPC Unit
2-33

Table of Contents

Related product manuals