EasyManua.ls Logo

Ricoh FT9101 - Page 346

Ricoh FT9101
635 pages
Print Icon
To Next Page IconTo Next Page
To Next Page IconTo Next Page
To Previous Page IconTo Previous Page
To Previous Page IconTo Previous Page
Loading...
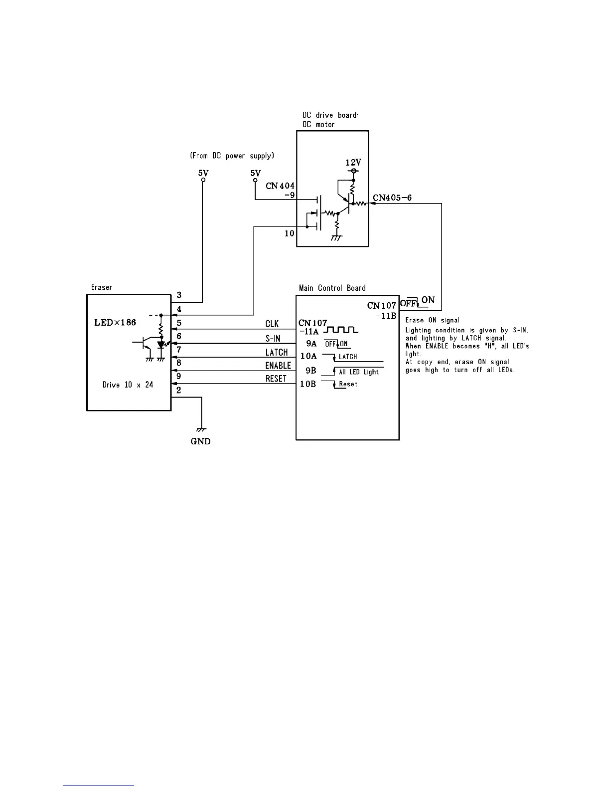
2.5.4 Eraser operation
Circuit diagram
Erase
1 July 1994
2-46

Table of Contents

Related product manuals