EasyManua.ls Logo

Ricoh FT9101 - Page 402

Ricoh FT9101
635 pages
Print Icon
To Next Page IconTo Next Page
To Next Page IconTo Next Page
To Previous Page IconTo Previous Page
To Previous Page IconTo Previous Page
Loading...
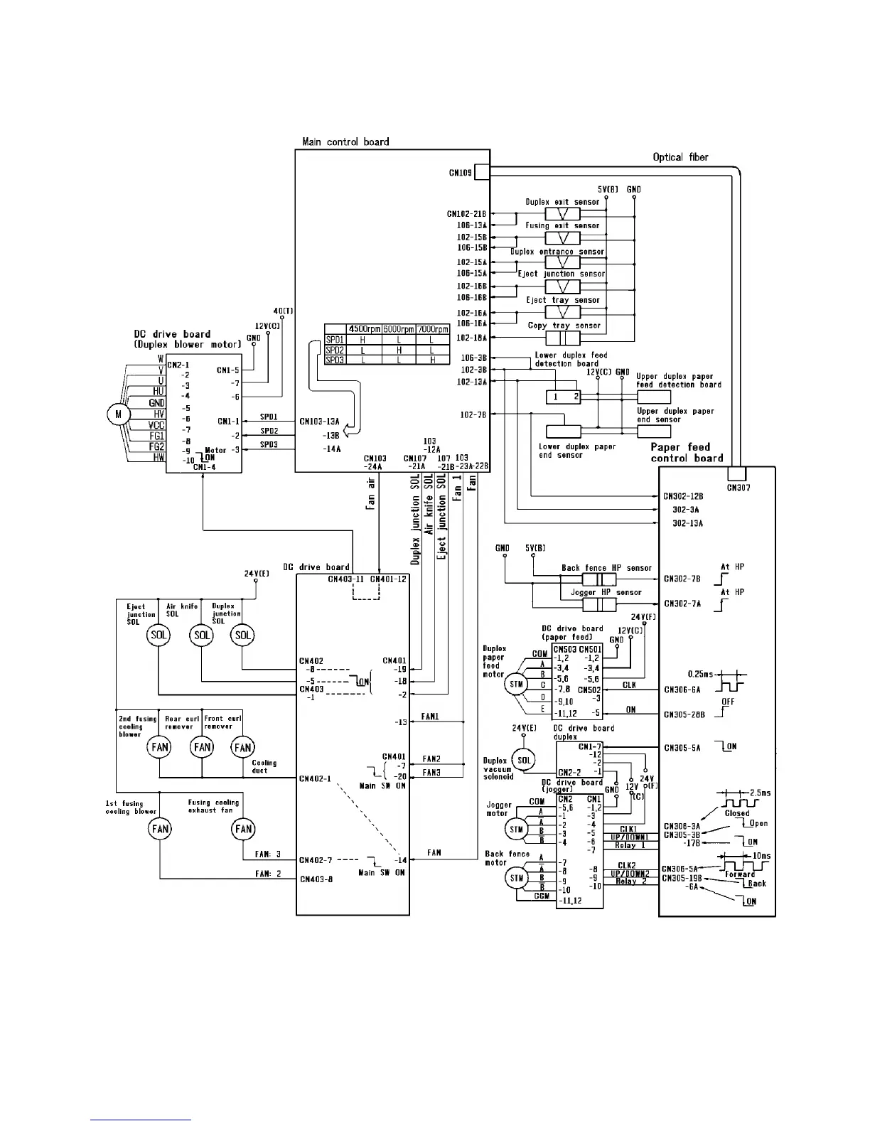
2.13.9 Duplex/exit operation
Circuit diagram
Duplex and Paper Exit
1 July 1994
2-102

Table of Contents

Related product manuals