EasyManua.ls Logo

SBM SB-3000 - Page 168

SBM SB-3000
253 pages
Print Icon
To Next Page IconTo Next Page
To Next Page IconTo Next Page
To Previous Page IconTo Previous Page
To Previous Page IconTo Previous Page
Loading...
168
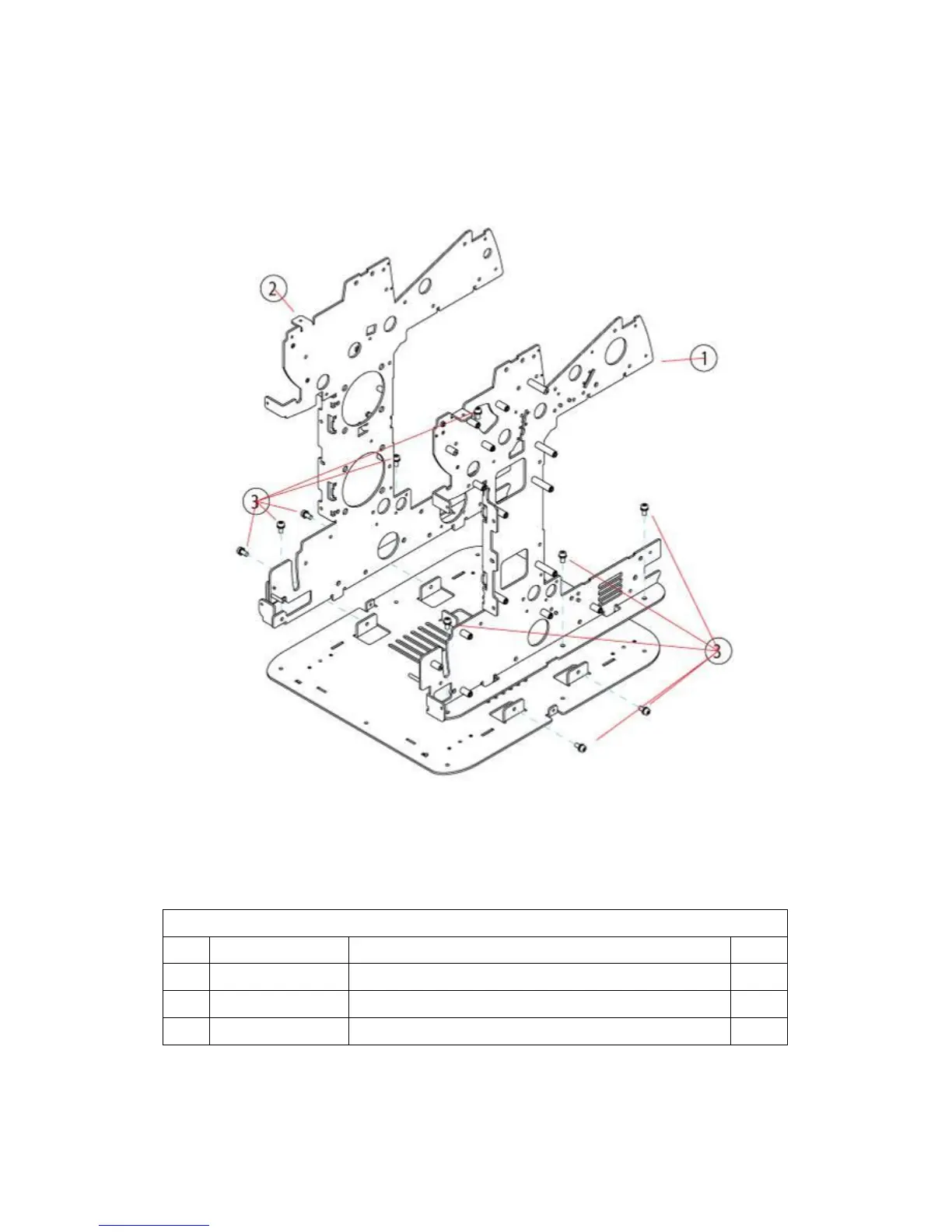
22. SIDE PLATE ASSY
SIDE PLATE ASSY
NO.
CODE PART NAME Q`TY
1 741012000A PLATE_SIDE_LE 1
2 741012100A PLATE_SIDE_RI 1
3 8400E025XA SCREW_M/C_PH/SWW_M4X8_Fe_Ni 10

Table of Contents