EasyManua.ls Logo

Sea-doo RX - Oil Injection Pump

Sea-doo RX
351 pages
Print Icon
To Next Page IconTo Next Page
To Next Page IconTo Next Page
To Previous Page IconTo Previous Page
To Previous Page IconTo Previous Page
Loading...
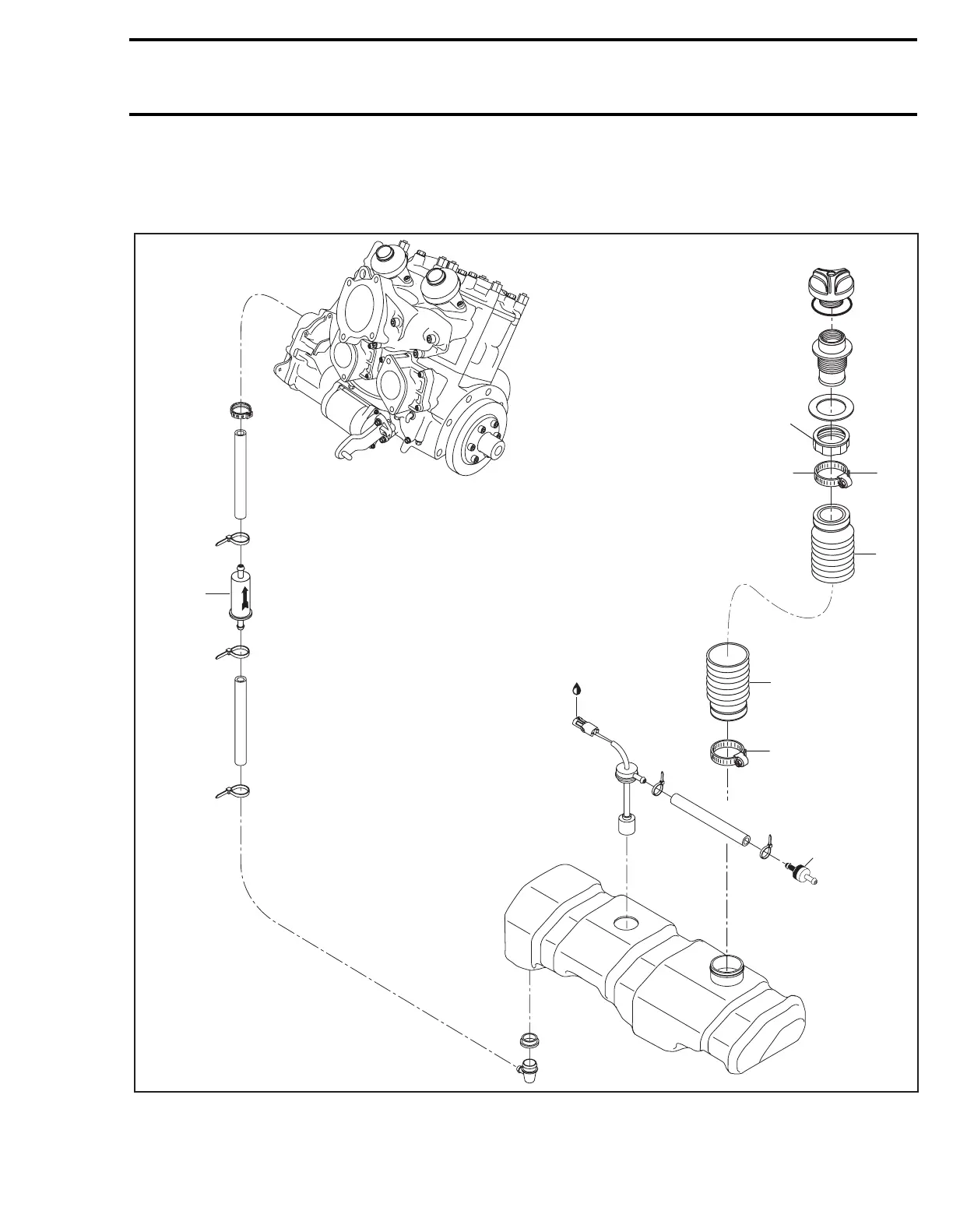
Section 08 LUBRICATION SYSTEM
Subsection 03 (OIL INJECTION PUMP)
SMR2000-059_08_03A.FM 08-03-1
OIL INJECTION PUMP 0
Carburetor-Equipped Models
F07G03S
Dielectric
grease
27 N•m
(20 lbf•ft)
3.5 N•m
(31 lbf•in)
3.5 N•m
(31 lbf•in)
1
3
2
1
2
4
www.SeaDooManuals.net
PARTS

Table of Contents

Related product manuals