EasyManua.ls Logo

Sea-doo RX - Jet Pump

Sea-doo RX
351 pages
Print Icon
To Next Page IconTo Next Page
To Next Page IconTo Next Page
To Previous Page IconTo Previous Page
To Previous Page IconTo Previous Page
Loading...
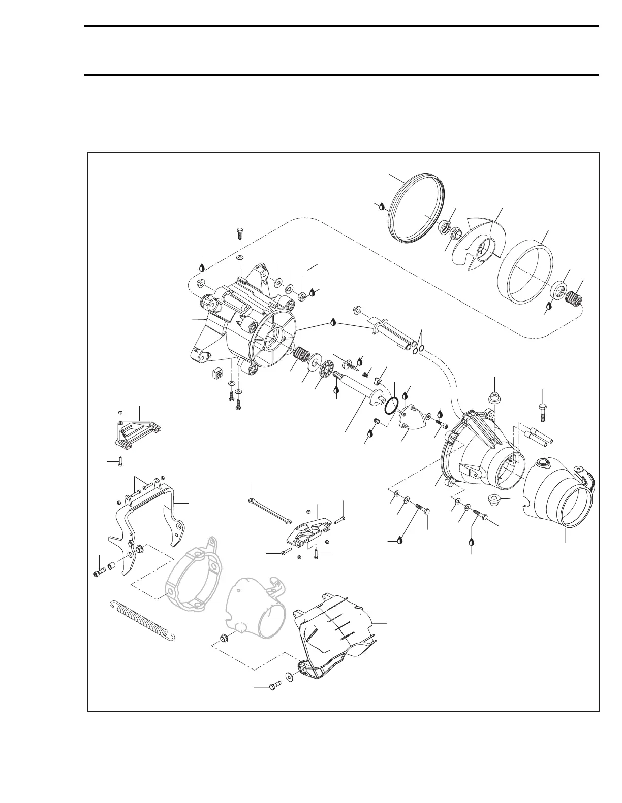
Section 10 PROPULSION SYSTEM
Subsection 02 (JET PUMP)
SMR2000_065_10_02A.FM 10-02-1
JET PUMP 0
RX and RX DI Models
F16J02S
14
Loctite
Gel 454
13
17
18
19
20
Loctite
518
Loctite
518
6
5
4
33 Nm
(24 lbfft)
Loctite
243
Loctite
518
7
20
22
23
25
Synthetic
grease
27
26
24
Loctite
518
Loctite
243
Loctite
262
21
110 Nm
(81 lbfft)
Pipe
sealant
15
16
3
2
20 Nm
(15 lbfft)
1
9
12
11
3
12
11
10
21 Nm
(16 lbfft)
10
21 Nm
(16 lbfft)
Loctite
243
Loctite
243
8
41
39
40
43
42
31
38
32
38
30
29
33
20 Nm
(15 lbfft)
28
www.SeaDooManuals.net
PARTS

Table of Contents

Related product manuals