EasyManua.ls Logo

Sea-doo RX - Top End

Sea-doo RX
351 pages
Print Icon
To Next Page IconTo Next Page
To Next Page IconTo Next Page
To Previous Page IconTo Previous Page
To Previous Page IconTo Previous Page
Loading...
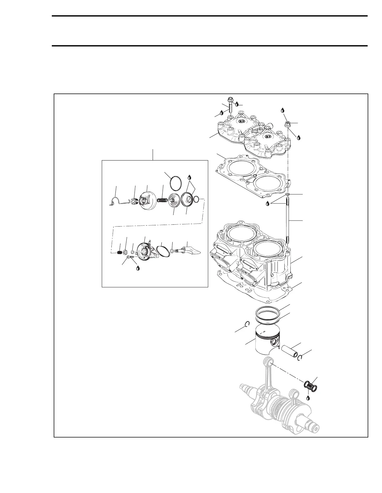
Section 04 ENGINE
Subsection 05 (TOP END)
SMR2000-046_04_05A.FM 04-05-1
TOP END 0
947 Carburetor-Equipped Engines
14
34 Nm
(25 lbfft)
Loctite 243
2
Loctite 243
6
F08D09S
33
34 Nm
(25 lbfft)
31
5 Nm
(44 lbfin)
16
17
18
19
20
21
29
28
27
24
23
22
25
26
Loctite 243
9 Nm
(80 lbfin)
15
Loctite 243
34
32
9
10
30
7
8
5
3
4
5
Synthetic grease
(34 rollers)
Synthetic
grease
Synthetic grease
Synthetic grease
www.SeaDooManuals.net
PARTS

Table of Contents

Related product manuals