EasyManua.ls Logo

Sea-doo RX - General; Rave System

Sea-doo RX
351 pages
Print Icon
To Next Page IconTo Next Page
To Next Page IconTo Next Page
To Previous Page IconTo Previous Page
To Previous Page IconTo Previous Page
Loading...
Section 04 ENGINE
Subsection 05 (TOP END)
SMR2000-046_04_05A.FM 04-05-3
GENERAL
The 2-stroke ROTAX engine rotates counterclock-
wise seen from the rear (PTO flywheel).
The 947 engine uses reed valves in the crankcase.
The 947 engines are also equipped with the RAVE
system (Rotax Adjustable Variable Exhaust).
CAUTION: No engine components can be inter-
changed between engines.
RAVE System
(Rotax Adjustable Variable Exhaust)
BASIC OPERATION
The RAVE system changes the exhaust port
height. The exhaust port height is controlled by the
MPEM according to the engine RPM.
Carburetor-Equipped Engines
On top of the RAVE valves, there is a red plastic
adjustment knob. Turning the adjustment in or out
changes the preload on the return spring. On this
engine, the spring preload does not have a signif-
icant effect on the valve operation.
To open the RAVE valves, the MPEM activates a
solenoid which directs the positive pressure from
engine crankcase to the valves.
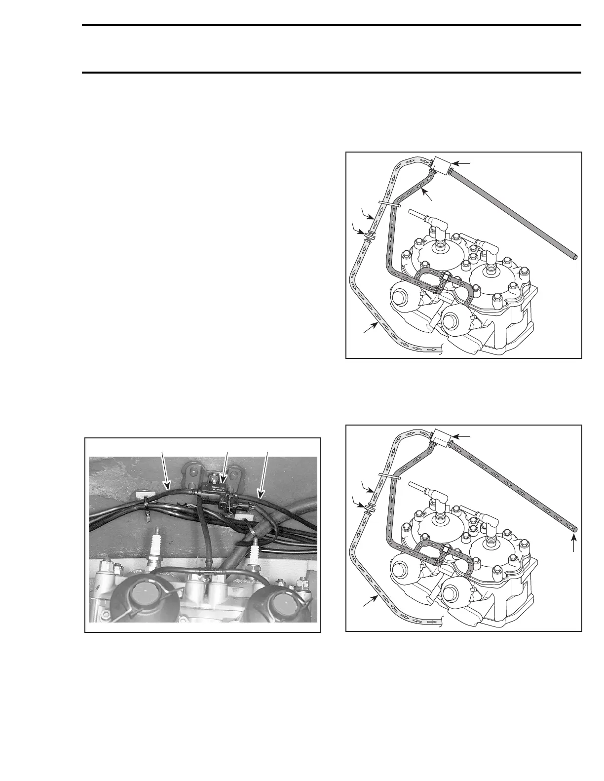
1. Solenoid
2. Pressure hose from crankcase
3. To atmospheric pressure
NOTE: A check valve on the pressure line elimi-
nates the negative pressure from the crankcase.
To close the RAVE valves, the MPEM deactivates
the solenoid which blocks the crankcase positive
pressure. The RAVE valves are opened to the at-
mosphere.
RAVE VALVE OPENED
1. Pulse from crankcase
2. Check valve
3. Positive pressure to solenoid
4. Solenoid activated
5. Positive crankcase pressure to RAVE valves
RAVE VALVE CLOSED
1. Pulse from crankcase
2. Check valve
3. Positive pressure blocked by the solenoid
4. Solenoid deactivated
5. RAVE valves are opened to atmosphere
2
F06D3BA
13
3
F06D16A
2
1
4
5
3
F06D16B
2
1
4
5
www.SeaDooManuals.net

Table of Contents

Related product manuals