EasyManua.ls Logo

Sea-doo RX - Page 286

Sea-doo RX
351 pages
Print Icon
To Next Page IconTo Next Page
To Next Page IconTo Next Page
To Previous Page IconTo Previous Page
To Previous Page IconTo Previous Page
Loading...
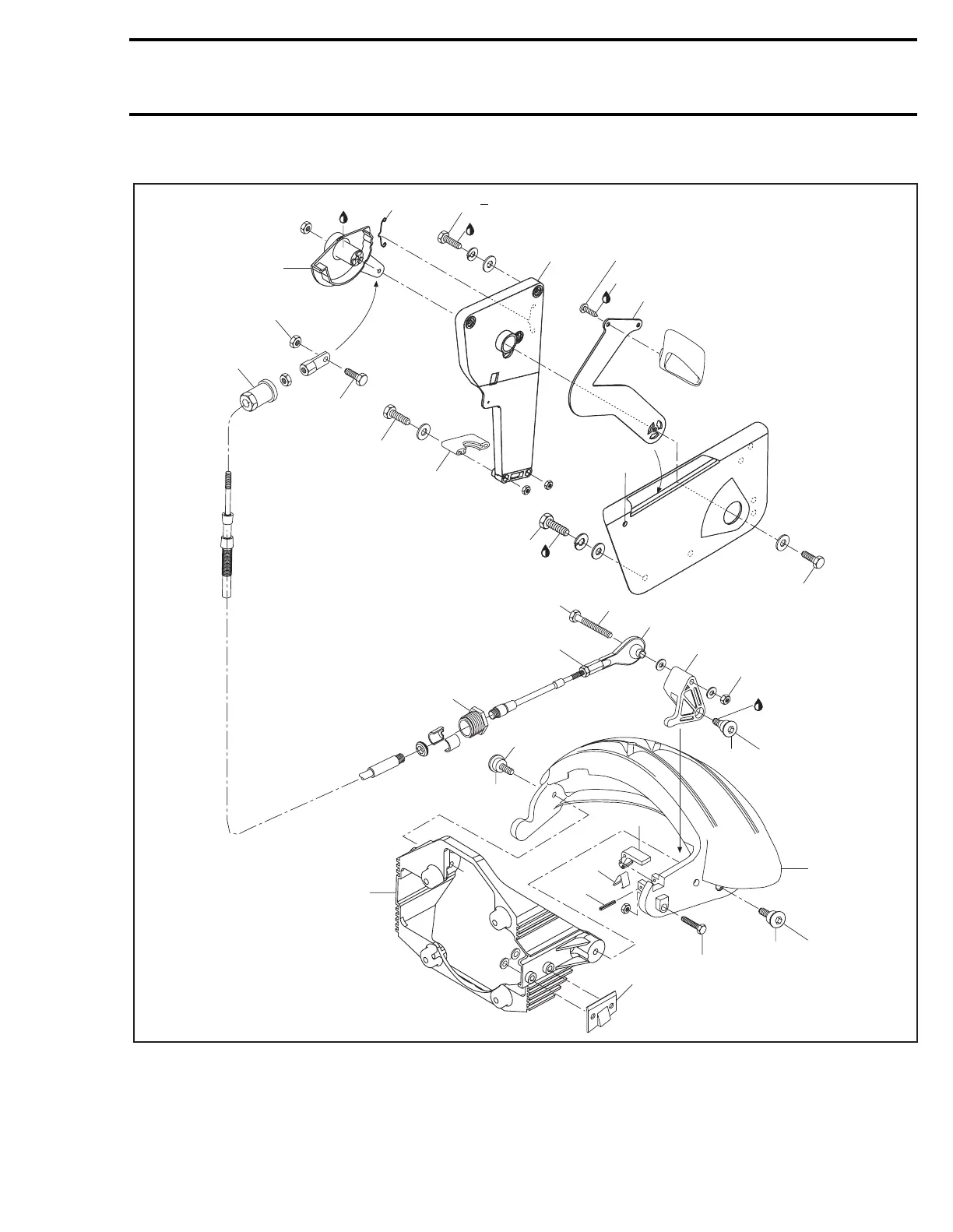
Section 10 PROPULSION SYSTEM
Subsection 04 (REVERSE SYSTEM)
SMR2000-067_10_04A.FM 10-04-3
GTX DI Model
F07J0TS
4
9
7
8
22
10
6
21
5
3
23
12
13
16
19
15
20
3.5 Nm
(31 lbfin)
17
18
14
Loctite 243
1
11
4 Nm
(35 lbfin)
3 Nm
(27 lbfin)
Loctite
243
10 Nm
(89 lbfin)
2.5 Nm
(22 lbfin)
Synthetic grease
2.5 Nm
(22 lbfin)
6 Nm
(53 lbfin)
7 Nm (62 lbfin)
2
Loctite 243
6 Nm
(53 lbfin)
5 Nm
(44 lbfin)
9 Nm
(80 lbfin)
9 Nm
(80 lbfin)
4
3 Nm (27 lbfin)
Loctite 243
Silicone
sealant
www.SeaDooManuals.net
PARTS

Table of Contents

Related product manuals