EasyManua.ls Logo

Servomex 1100A - Page 165

Default Icon
236 pages
Print Icon
To Next Page IconTo Next Page
To Next Page IconTo Next Page
To Previous Page IconTo Previous Page
To Previous Page IconTo Previous Page
Loading...
5.51
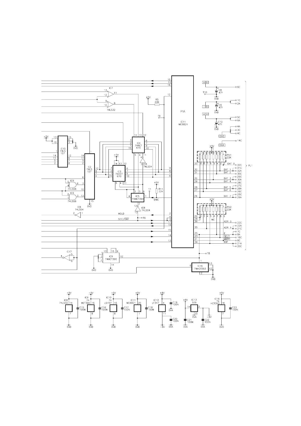
Figure 5.10 A to D Converter Board 01100916A

Table of Contents

Related product manuals