EasyManua.ls Logo

Servomex 1100A - Page 167

Default Icon
236 pages
Print Icon
To Next Page IconTo Next Page
To Next Page IconTo Next Page
To Previous Page IconTo Previous Page
To Previous Page IconTo Previous Page
Loading...
5.53
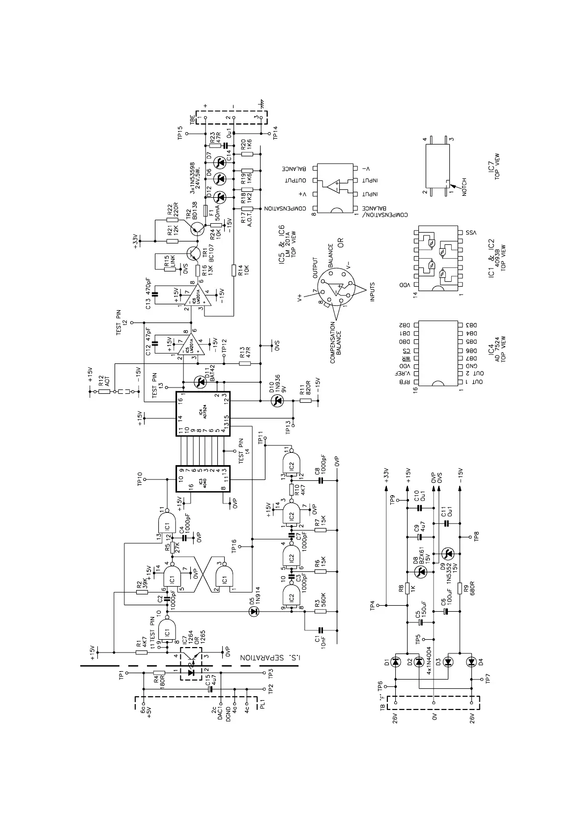
Figure 5.12 Current Output Board 01100929

Table of Contents

Related product manuals