EasyManua.ls Logo

Siemens SIMATIC ET 200M - S7-300 Modules Operated from the PS

Siemens SIMATIC ET 200M
242 pages
To Next Page IconTo Next Page
To Next Page IconTo Next Page
To Previous Page IconTo Previous Page
To Previous Page IconTo Previous Page
Loading...
Wiring
5-8
Distributed I/O Device ET 200M
EWA-4NEB780600602-06
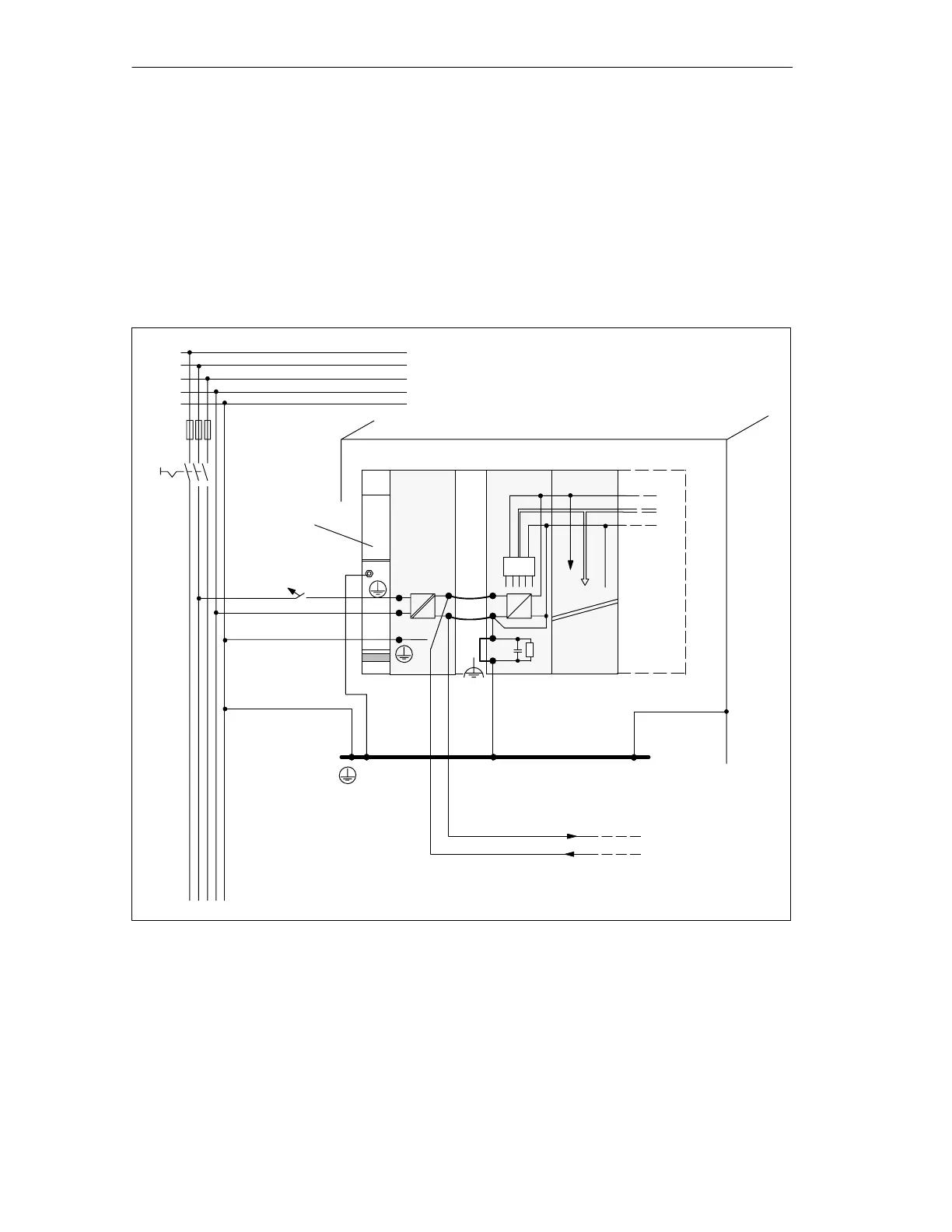
ET 200M with Load Power Supply from the PS 307
Figure 5-2 shows the ET 200M in the overall configuration (load power supply and
grounding concept) in a TN-S system.
In addition to supplying the IM 153-x, the PS 307 also supplies the load circuit for
the 24V DC modules.
Note: The illustration of the power supply connections does not reflect the actual
physical arrangement; this has been done to improve clarity.
IM 153-x
mP
S7-300 modules
SM/FM
N
M
L1
L +
M
PS
L1
L2
L3
N
24V DC load circuit for
DC modules
Ground bus in cabinet
Cabinet
Low-voltage distribution
For example, TN-S system (3 400 V)
PI
Rail
Figure 5-2 S7-300 modules operated from the PS 307
Artisan Technology Group - Quality Instrumentation ... Guaranteed | (888) 88-SOURCE | www.artisantg.com

Table of Contents

Other manuals for Siemens SIMATIC ET 200M

Related product manuals