EasyManua.ls Logo

Sony DCR-VX2000 - Printed Wiring Board

Sony DCR-VX2000
222 pages
Print Icon
To Next Page IconTo Next Page
To Next Page IconTo Next Page
To Previous Page IconTo Previous Page
To Previous Page IconTo Previous Page
Loading...
DCR-VX2000/VX2000E
4-63 4-64
RGB DRIVE, TG
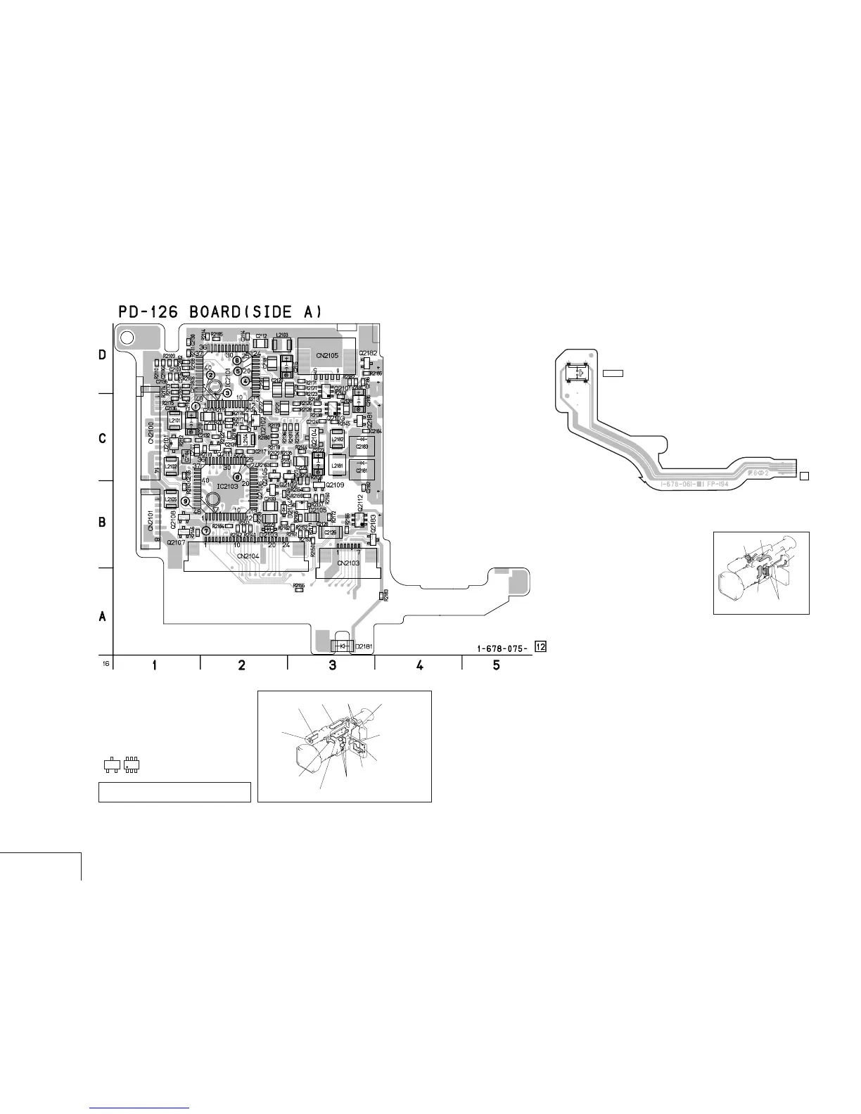
PD-126
PD-126 (RGB DRIVE, TG) PRINTED WIRING BOARD
— Ref. No. PD-126 Board; 20,000 Series —
FT-090
(REMOTE)
MI-038
(MIC IN)
MA-386
(AUDIO AMP)
LB-065
(BACK LIGHT)
CK-093
(KEY IN)
PD-126
(RGB DRIVE/TG)
HL-011
(LCD DRIVE)
CD-254
(CCD IMAGER)
FK-076
(CONTROL SWITCH)
INVERTER TRANSFORME
UNIT
SE-108
(VAP SENSOR)
FP-198
FP-200
FP-194
FP-188
CONTROL SWITCH BLOC
K
(ED-4980)
1-678-061-
21
S001
MENU
S001
FP-194 FLEXIBLE BOARD
1
5
For printed wiring board
Refer to page 4-116 for parts location.
This board is four-layer print board. However, the pat-
terns of layers two to four have not been included in
the diagram.
Chip parts
Transistor
There are few cases that the part printed on this
diagram isn’t mounted in this model.
C
BE
5
64
2
13

Table of Contents

Other manuals for Sony DCR-VX2000

Related product manuals