EasyManua.ls Logo

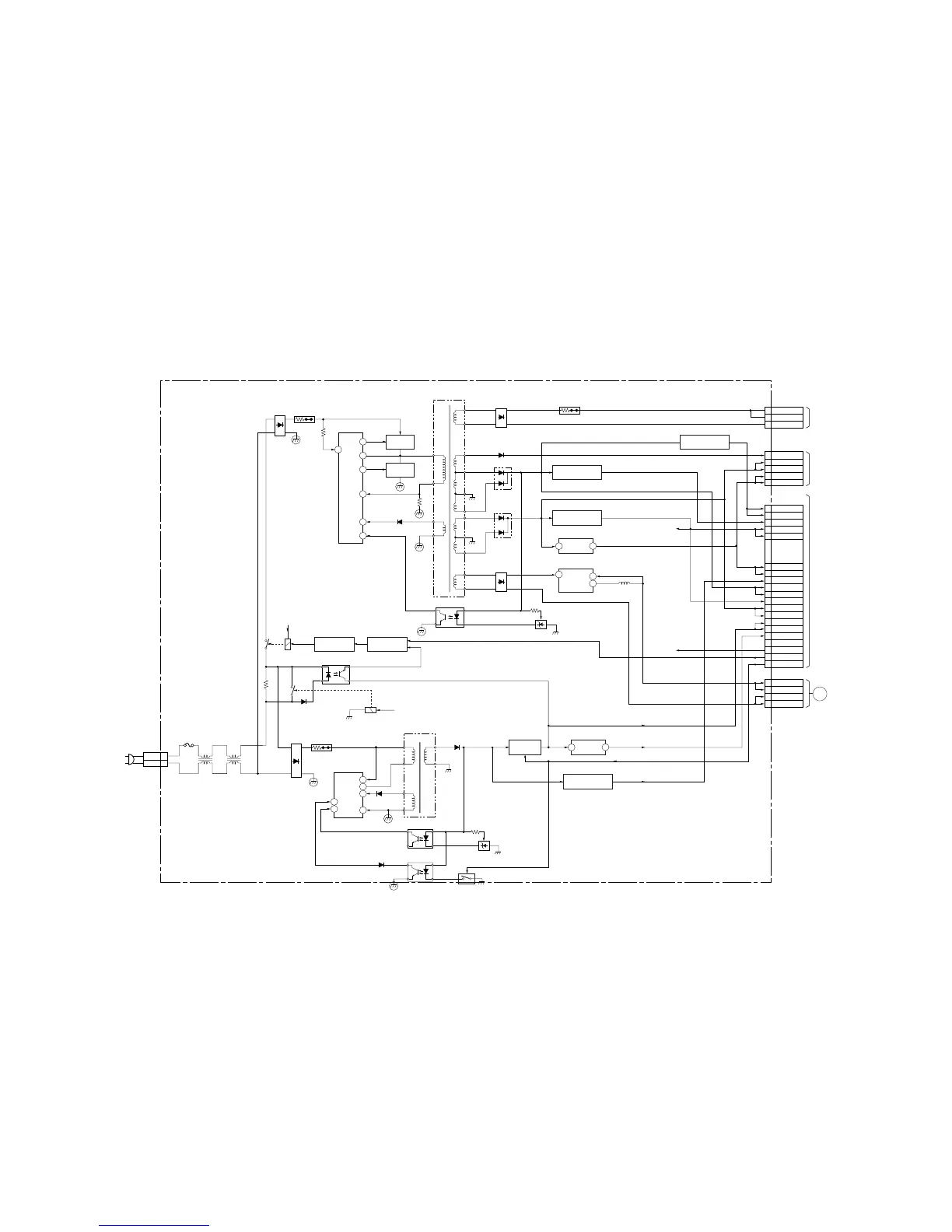
Sony KDF-E50A10 - Block Diagram (7)

Sony KDF-E50A10
241 pages
Print Icon
To Next Page IconTo Next Page
To Next Page IconTo Next Page
To Previous Page IconTo Previous Page
To Previous Page IconTo Previous Page
Loading...
– 37 –
KDF-E42A10/E50A10
K RM-YD003 RM-YD003
BLOCK DIAGRAM (7)
T6000
R6100
D6043
RECT.
D6000
RECT
REG_12V
SET 9V
RELAY_VCC
Q10.5V
Q5V
SUB-ON
STBY 5V
UNREG_6V
SET5V
D6019
L6002
D6029
RECT.
D6020
D6018
D6015
D6289
RECT
PH6003
PH6002
D6298
D6284
T6004
D6301
PH6001
RY6002
RY6001
R6045
D6300
SET 5V
RELAY_VCC
DCP
VC1
DCP
VG(L)
VG(H)
SWITCHING
REGULATOR
VS
IC6000
SHUNT
REGULATOR
IC6001
SHUNT
REGULATOR
IC6010
11
10
181
4
5
7,8
1
23
11,12
2
17
16
15
14
13
12
SWITCHING
REGULATOR
IC6008
CN6002
CN6019
CN6009
CN6018
9
8
+9V REG
OUT
VCC
2 17V
46V
56V
8
9
3.3V
3.3V
4 AU_VCC
3 AU_VCC
2 AU_GND
1 AU_GND
1 LAMP DC
3 LAMP GND
9 FAN_VCC
10 FAN_VCC
16 SET 9V
19 SET 5V
23 SET 3.3V
24 SET 3.3V
28 STBY 5V
31 B-12V
32 B-12V
35 AUDIO 5V
38 UNREG_6V
40 UNREG_6V
45 Q_10.5V
46 Q_10.5V
49 Q_5V
11 RELAY_VCC
12 AC_RLY
13 SUB_ON
SET 5V
20 SET 5V
15
VSENSE
1
Q6008
DRIVE
Q6001
DRIVE
16
14
9
8
9
R6006
Q6303,6304
DELAY GATE
Q6007
RELAY DRIVER
2
1
6
4
32
1
7
9
4
3
1
2
PH6004
Q6010,6011
AC (L)
AC (N)
2
1
(POWER SUPPLY)
GT
AC IN
CN6010
F6001 L6012 L6011
TO
LAMP DRIVER
TO
C BOARD
CN604
TO
AGU BOARD
CN8401
TO
K BOARD
CN3001
IC6005
+5V
REG.
IC6004
+5V
REG.
Q6000,6009
B+ SWITCH
1
5
IC6007
IC6002
IC6003
+10V REG
OUT
VCC
IC6012
+3.3V REG.
1
2
IC6009
DC/DC
CONVERTER
1
4
2
+5V REG
VCC OUT
OUT
VCC
C

Table of Contents

Related product manuals