EasyManua.ls Logo

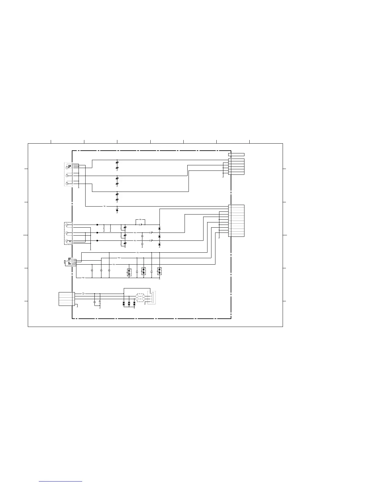
Sony KDF-E50A10 - Schematic Diagram of HC Board

Sony KDF-E50A10
241 pages
Print Icon
To Next Page IconTo Next Page
To Next Page IconTo Next Page
To Previous Page IconTo Previous Page
To Previous Page IconTo Previous Page
Loading...
– 43 –
KDF-E42A10/E50A10
K RM-YD003 RM-YD003
(4) Schematic Diagram of HC Board
81
E
F
2
F
43
B
5
A
E
B
D
6
C C
7
D
A
L
R
V
1
2
4
3
HC BOARD
(FRONT INPUTS/OUTPUTS)
1
2
3
4
5
U_5V
HM_DM
HM_DP
NC
GND
CN7103
XX
XX
C7108
XX
C7109
XX
FB7100
XX
C7110
XX
R7126
XX
C7112
XX
C7111
J7102
XX
JL7102
JL7100
JL7101
J7101
CHIP
0
R7123
R
J7100
VD7101
VD7102
VD7108
VD7109
UDZSTE-173.9B
D7108
1/10W
RN-CP
220
R7124
1/10W
RN-CP
220
R7125
1/10W
RN-CP
220
R7105
VD7105
XX
1/10W
RN-CP
220k
R7104
VD7104
XX
VD7103
XX
1/10W
RN-CP
220k
R7103
XX
R7129
XX
R7106
D7109
XX
XX
C7113
VD7113
XX
VD7111
XX
VD7112
XX
XX
L7101
CN7104
XX
D7110
XX
XX
C7114
XX
R7128
1/10W
RN-CP
1k
R7109
1608
50V
1000p
B
C7101
50V
10
C7103
1/10W
RN-CP
1k
R7110
1608
50V
1000p
B
C7102
50V
10
C7104
XX
C7100
CHIP
0
R7111
VD7100
VD7110
UDZSTE-175.6B
D7102
UDZSTE-1710B
D7100
UDZSTE-1710B
D7101
D7111
XX
CN7100
XX
WHT
6P
CN7102
COMP2_Y
GND
COMP2_CB
GND
COMP2_CR
GND
1
2
3
4
5
6
WHT
12P
CN7101
COMP_DET
V2_V
GND
V2_L
V2_R
GND
HP_L
GND
HP_R
GND
HP_DET
NC
1
2
3
4
5
6
7
8
9
10
11
12
TO A BOARD
1E

Table of Contents

Related product manuals