EasyManua.ls Logo

Sony MAP-S1 - Interface IC Block Diagrams; USB and Network Interface IC Block Diagrams

Sony MAP-S1
116 pages
Print Icon
To Next Page IconTo Next Page
To Next Page IconTo Next Page
To Previous Page IconTo Previous Page
To Previous Page IconTo Previous Page
Loading...
MAP-S1
80
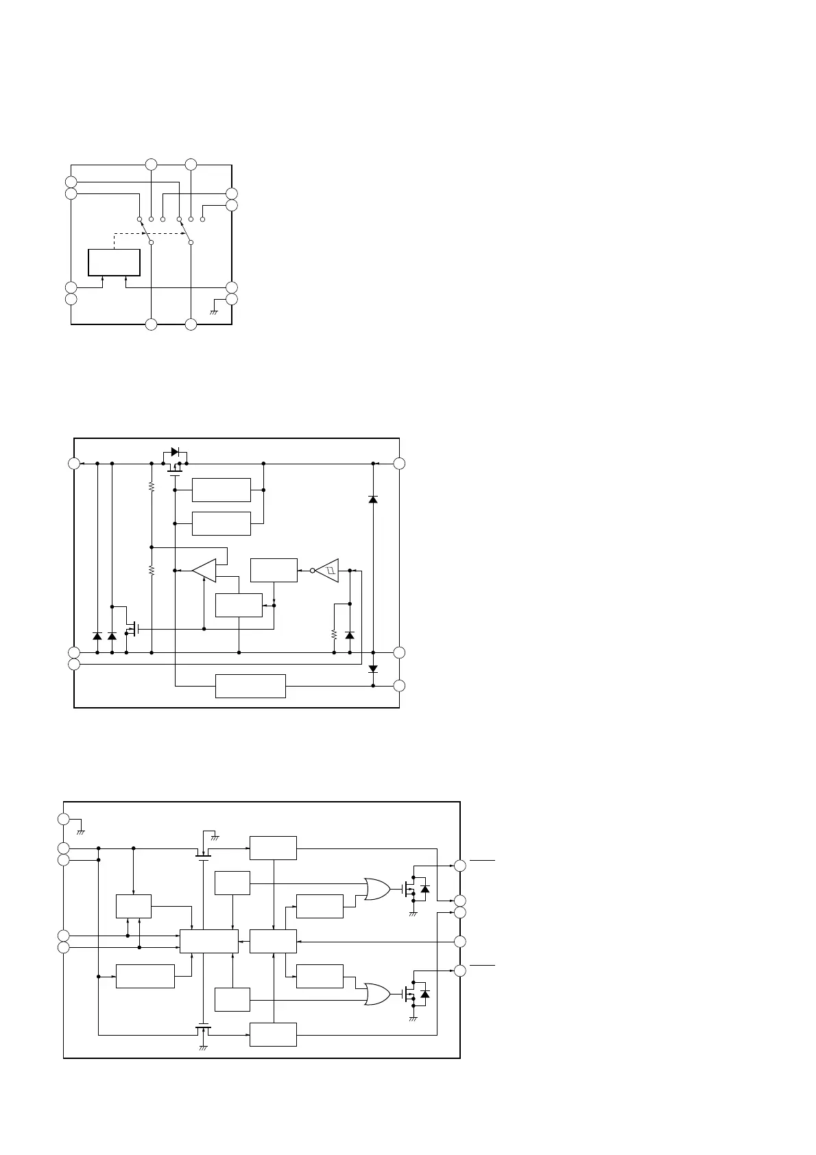
– USB Board –
IC4001 TPS2561DRCR
IC3002 S-13A1A12-E6T1U3
– NETWORK Board –
IC3001 FSUSB63UMX
VCC 12
SEL [1]
11
HSD3
10
HSD3
9
D
1
D
2
GND
3
SEL [0]4
HSD1
5
HSD16
HSD2
7
HSD2
8
SELECTOR
VOUT
1 VIN
6
VSS
2
ON/OFF
3
+
REFERENCE
VOLTAGE
ON/OFF
CONTROL
VSS5
SSC4
INRUSH CURRENT
LIMITING
THERMAL
SHUTDOWN
OVERCURRENT
PROTECTION
GND
1
EN1
4
IN
2
IN
3
6FAULT2
7 ILLM
9OUT1
CHARGE
PUMP
UNDERVOLTAGE
LOCKOUT
THERMAL
SENSE
CURRENT
LIMIT
9-ms
DEGLITCH
9-ms
DEGLITCH
CURRENT
SENSE
DRIVER
EN2
5
THERMAL
SENSE
8OUT2
CURRENT
SENSE
10 FAULT1

Table of Contents

Other manuals for Sony MAP-S1

Related product manuals