EasyManua.ls Logo

Stoll FS - Hydraulic Diagram; Hydraulic Diagram FS and FS-Rapid Emptying

Stoll FS
120 pages
Print Icon
To Next Page IconTo Next Page
To Next Page IconTo Next Page
To Previous Page IconTo Previous Page
To Previous Page IconTo Previous Page
Loading...
111 B58FZS 0000000078 EN 002
CONTENTS
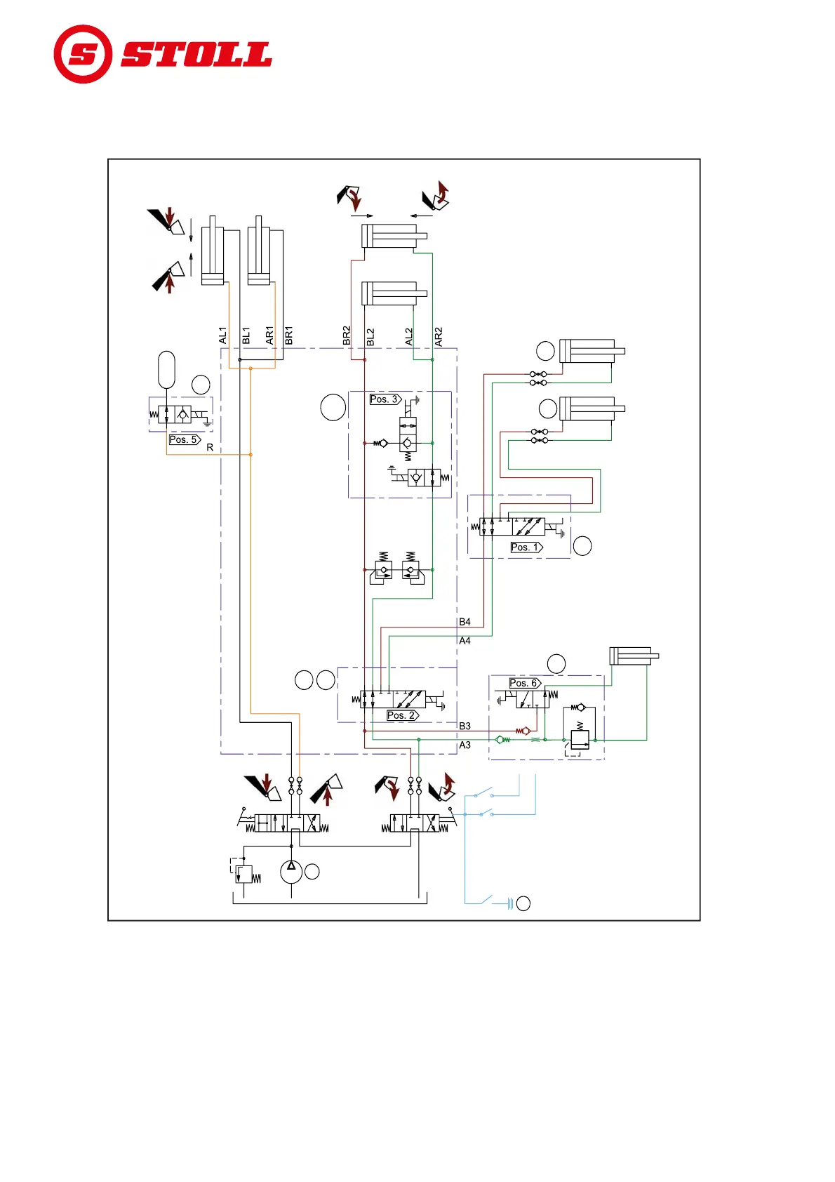
11.4 Hydraulic diagram
11.4.1 Hydraulic diagram FS and FS-rapid emptying
Fig. 102 Hydraulic diagram FS and FS-rapid emptying
Legend
F1, S1 4th control circuit (optional)
F2, S2 3rd control circuit (optional)
F3b, S3b Rapid emptying (only FS-rapid emptying)
F5, S5 Comfort-Drive (optional)
F6, S6 Hydro-Lock (optional)
P Tractor pressure
Z Ignition
B04G
210 bar 210 bar
P
Z
S1
S2 / S3b
A1 B1 A2B2
A2 A1
C2 C1
B2
B1
F2
F1
F1
F1
F2
F5
F3b
F6
150 bar

Table of Contents

Related product manuals