EasyManua.ls Logo

Stryker 1069 - Jack Base Assembly

Stryker 1069
148 pages
Print Icon
To Next Page IconTo Next Page
To Next Page IconTo Next Page
To Previous Page IconTo Previous Page
To Previous Page IconTo Previous Page
Loading...
page 617
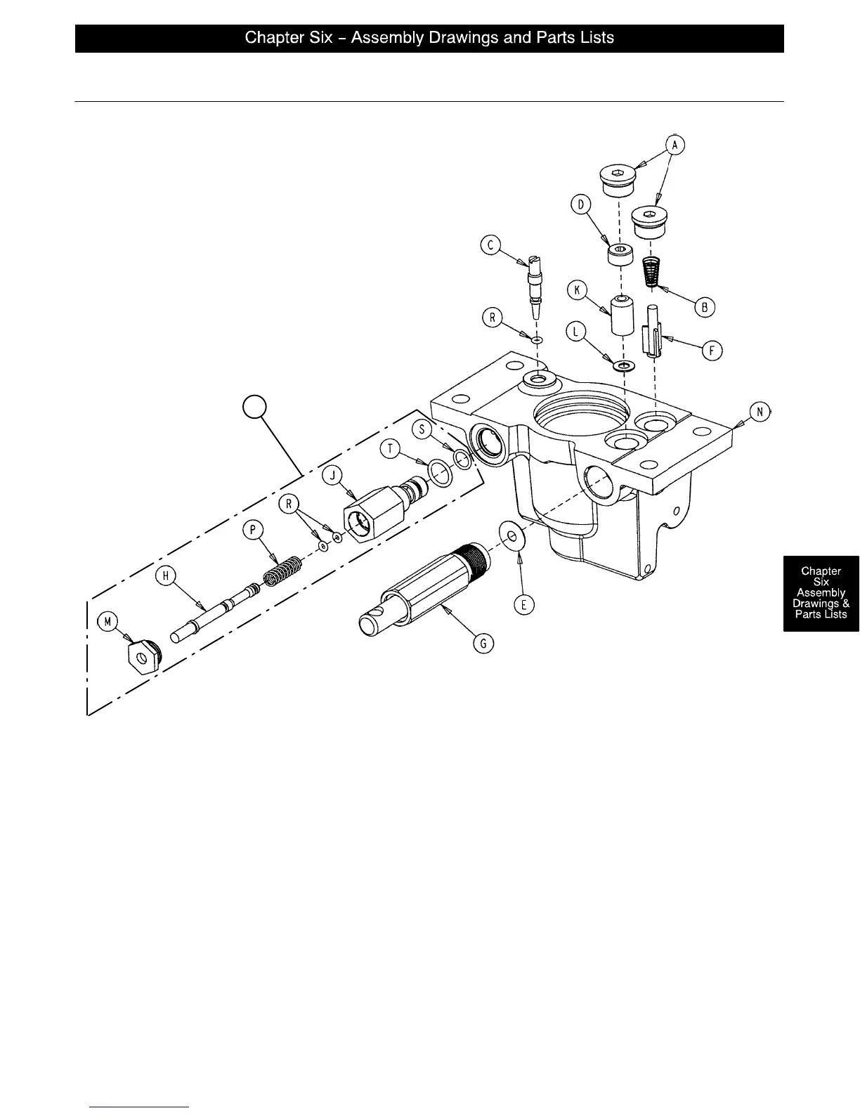
Jack Base Assembly
Assembly part number 1231705 (reference only)
U
Item Part No. Part Name Qty. Item Part No. Part Name Qty.
A48147 Base Plug 2 K 92620153 Check Valve 1
B 3902134 Conical Comp. Spring 1 L 92620154 Seal 1
C 7151307 Needle Valve 1 M 121017013 Base Plug 1
D 7151309 Valve Plug 1 N 121027012 Jack Base 1
E 7151329 Pump Seal 1 P 38311 Compression Spring 1
F 7151341 Poppet 1 R 456ORing 3
G (page 620) Pump Piston Assembly 1 S 45966 ORing 1
H 7152701 Pin 1 T 45967 ORing 1
J 7152702 Pin Housing 1 U 715270100 Relief Valve Assembly 1

Table of Contents

Other manuals for Stryker 1069

Related product manuals