EasyManua.ls Logo

Suzuki DF 30 - Principles of Operation

Suzuki DF 30
285 pages
Print Icon
To Next Page IconTo Next Page
To Next Page IconTo Next Page
To Previous Page IconTo Previous Page
To Previous Page IconTo Previous Page
Loading...
3-4 ENGINE CONTROL
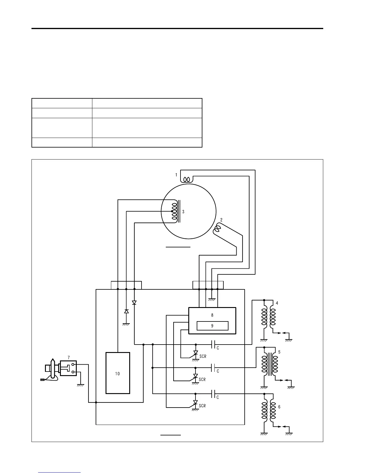
MAGNETO
CDI unit
PRINCIPLES OF OPERATION
The ignition system is a condenser discharge type.
The condenser built in the CDI unit stores the electrical energy generated by the power source coil.
The electrical energy stored in the condenser is released to the ignition coil primary windings by the ignition
timing signal calculated by the CDI microcomputer from the CKP (Crankshaft position) sensor signals.
SPECIFICATION
Ignition type CDI
Advance Electronic microcomputer control
Ignition timing
DF 25 : BTDC 5° 31°
DF 30 : BTDC 5° 29°
Firing order 1 3 2
1. CKP sensor No.1
2. CKP sensor No.2
3. Power source coil
4. Ign. coil #1
5. Ign. coil #2
6. Ign. coil #3
7. Engine stop switch
8. Ignition control circuit
9. CPU
10. Power source circuit

Table of Contents

Related product manuals