EasyManua.ls Logo

Suzuki DF 30 - Throttle Control; Throttle Link

Suzuki DF 30
285 pages
Print Icon
To Next Page IconTo Next Page
To Next Page IconTo Next Page
To Previous Page IconTo Previous Page
To Previous Page IconTo Previous Page
Loading...
FUEL SYSTEM 5-11
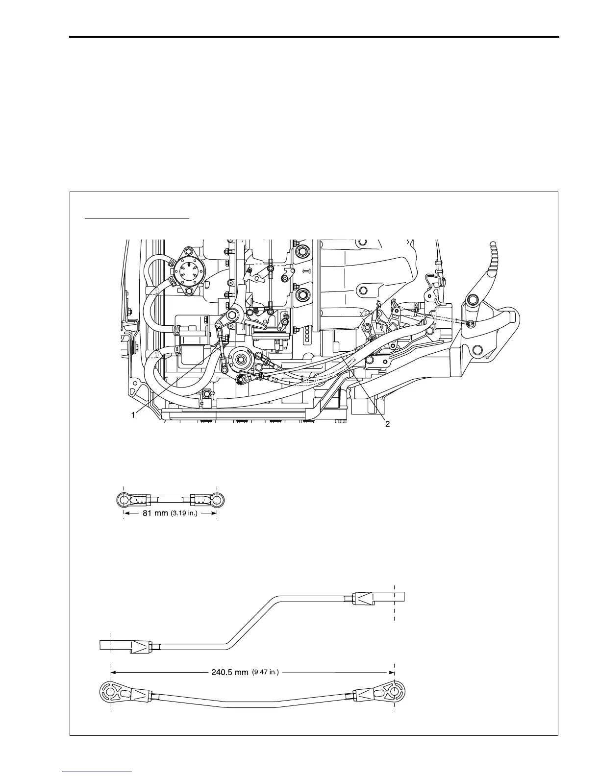
THROTTLE CONTROL
THROTTLE LINK
When replacing a link rod and/or connector, see the illustration below to adjust the link rod length to specifi-
cation.
NOTE:
Be sure an equal length of link rod is threaded into each connector.
Tighten lock nut against the connector after adjusting the link rod length.
Tiller handle models
1. Throttle cam rod
2. Throttle limiter rod

Table of Contents

Related product manuals