EasyManua.ls Logo

Suzuki DF 30 - Battery Charging System; Outline

Suzuki DF 30
285 pages
Print Icon
To Next Page IconTo Next Page
To Next Page IconTo Next Page
To Previous Page IconTo Previous Page
To Previous Page IconTo Previous Page
Loading...
4-2 ELECTRICAL
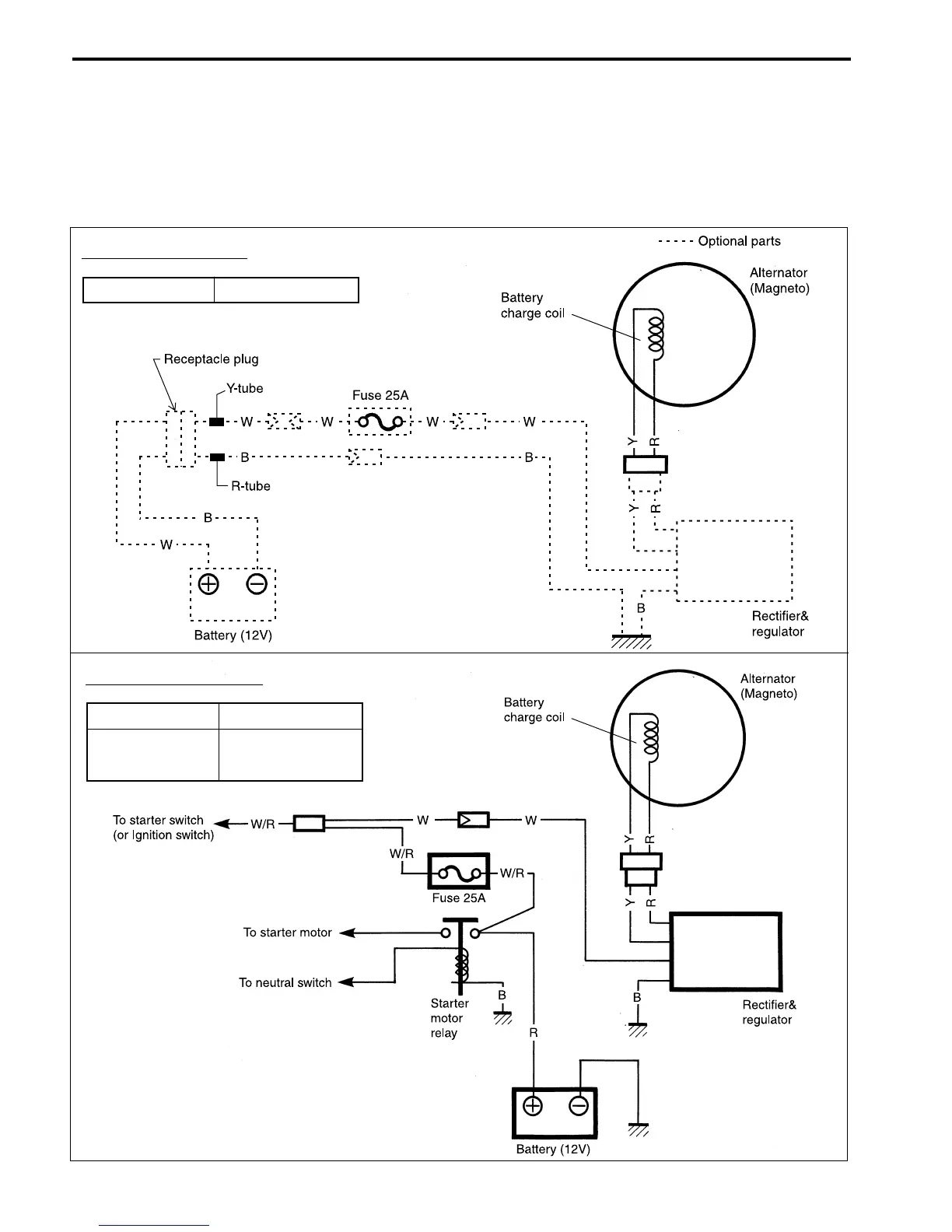
BATTERY CHARGING SYSTEM
OUTLINE
The battery charging system circuit is illustrated below.
It is composed of the BATTERY CHARGE COIL, RECTIFIER & REGULATOR and BATTERY.
The AC current generated from battery charge coil is converted by the rectifier & regulator into regulated DC
current which is used to charge the battery.
Output
REGULATED
VOLTAGE
180 W
14.2 – 15.2 V
Electric start models
Output 80 W
Manual start model

Table of Contents

Related product manuals