EasyManua.ls Logo

Tegam 3550 - Sample Diagram of External Connections to Sequencer

Tegam 3550
139 pages
Print Icon
To Next Page IconTo Next Page
To Next Page IconTo Next Page
To Previous Page IconTo Previous Page
To Previous Page IconTo Previous Page
Loading...
5-7
3550 LCR Meter Instruction Manual Programming and Interfacing
Control I/O Connector cont’d:
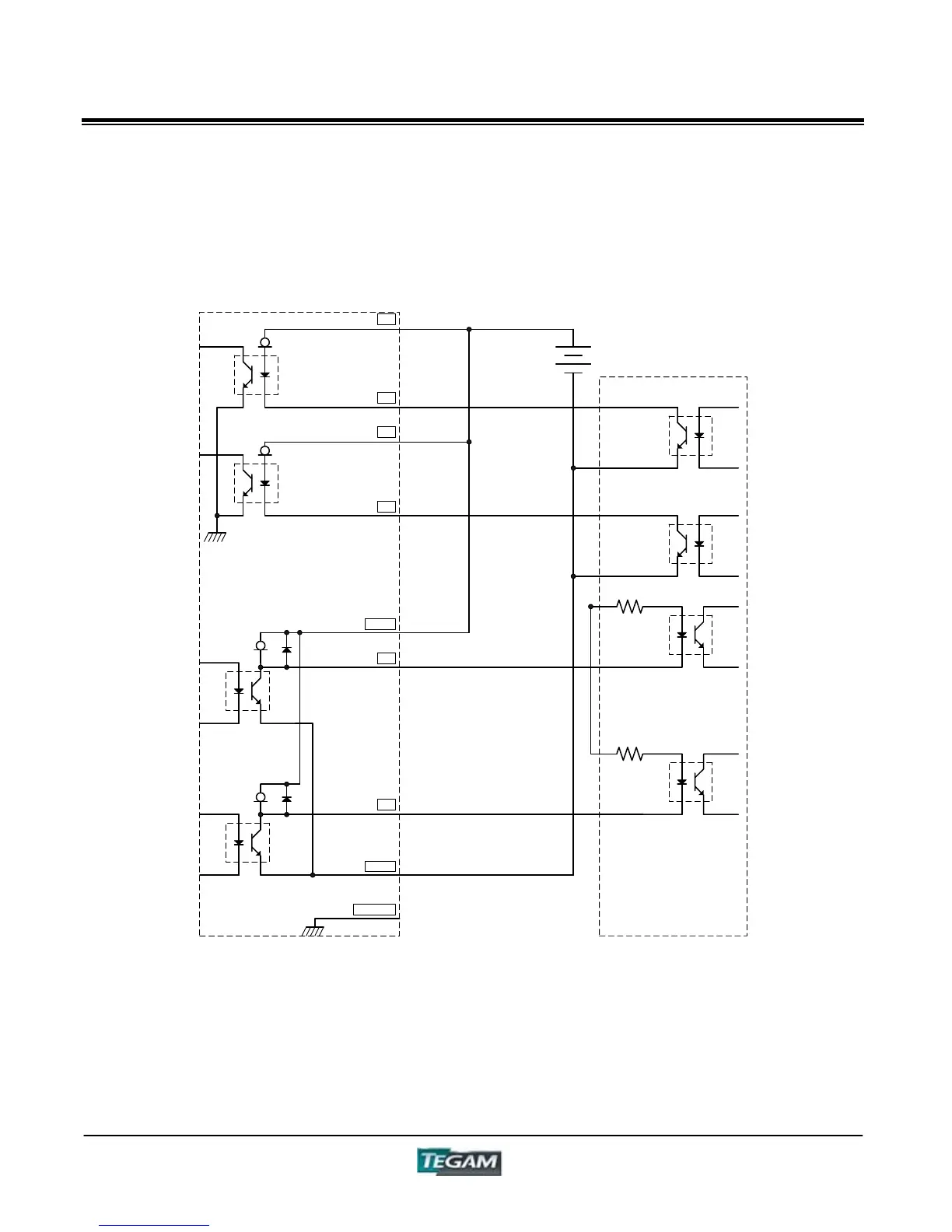
Figure 5.4 - Sample Diagram of External Connections to Sequencer
3
28
4
29
1, 26
16
43
2, 27
25, 50
GND (Inner Circuit)
EMITTER COMMON
BIN 2
0
TOTAL GO
EXT
POWER
EXTERNAL
TRIGGER(K)
EXTERNAL
TRIGGER (A)
CONTROL
PANEL
EXT (K)
CONTROL
PANEL
EXT (A)
INPUT UNIT
OUTPUT UNIT
5~24 VDC
Note: The diagram above provides examples of typical input and output connections as required
for interface to a sequencer. Similar connections apply to the remaining terminals of the I/O
Connector.

Table of Contents

Related product manuals