EasyManua.ls Logo

Thomas 85 - Page 91

Thomas 85
216 pages
Print Icon
To Next Page IconTo Next Page
To Next Page IconTo Next Page
To Previous Page IconTo Previous Page
To Previous Page IconTo Previous Page
Loading...
2-35
2
DRIVE MOTOR 2.12
Assembly (cont’d)
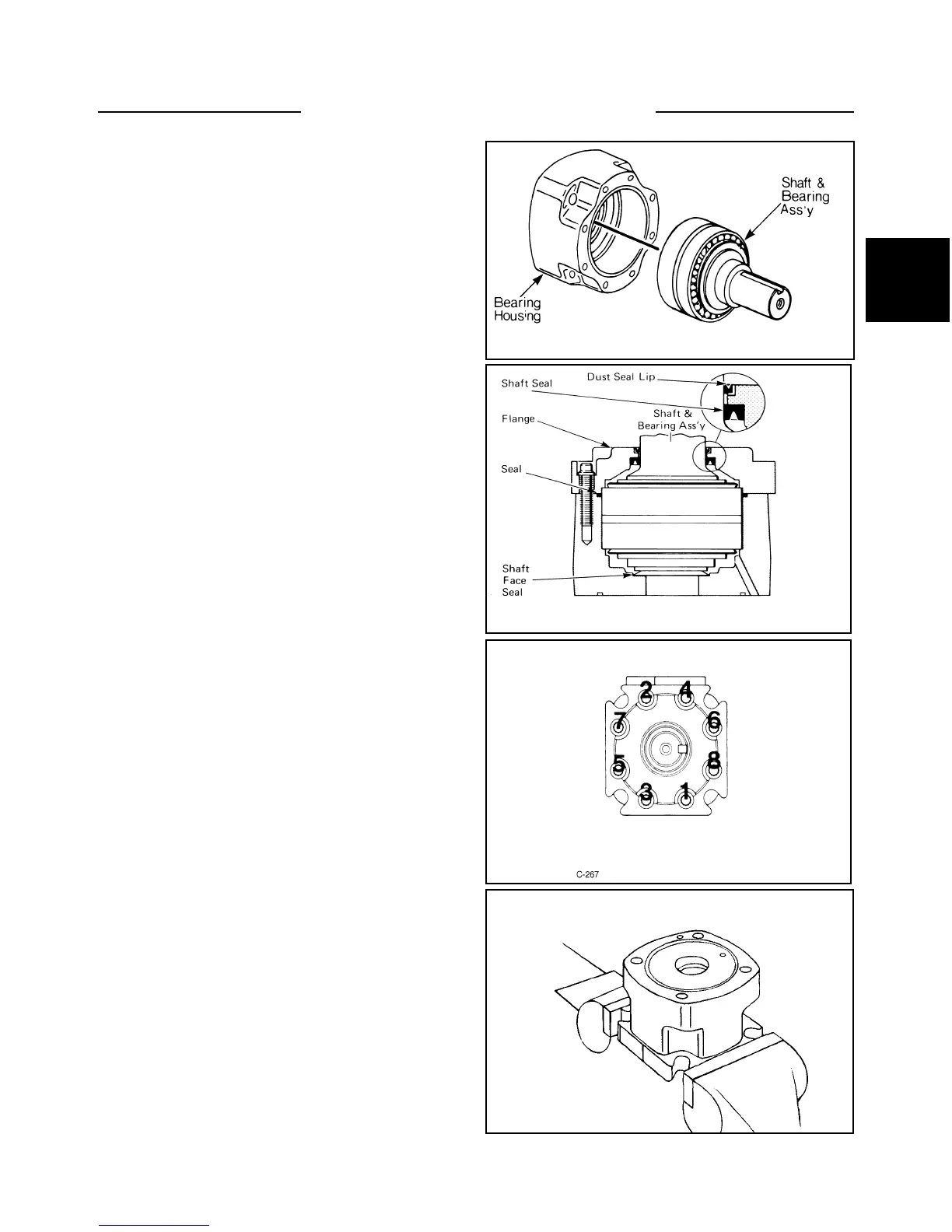
2 Install the shaft and bearing assembly in the housing.
(fig. C265)
A press may be required to install the shaft and bearing
assembly. Do not damage the shaft face seal.
7 Lubricate the threads of the cap screws and install
them finger tight. Torque the cap screws in sequence(fig.
C267) to 21 ft/lbs (28.5 NM).
C265
C267
C268
C266
3 Apply light grease to the bearing housing seal (fig.
C266). Install the seal in the outer groove of the hous-
ing.
4 Install the dust seal on the retainer flange (fig.
C266).The metal side of the dusrt seal must face upward.
5 Install the shaft seal in the retainer flange (fig.
C266).The smooth or flat side of the shaft seal must face
toward the retainer flange.
6 Apply light grease to the inside diameter of both the
shaft and dust seal. Install the retainer flange over the
shaft with a twisting motion. Be careful not to damage
the shaft seal or external leakage will occur.
8 Reposition the housing assembly in the vise, shaft
side down (fig. C268), clampking across the flange.
Pour a small amount of system oil inside the output shaft.

Table of Contents

Other manuals for Thomas 85

Related product manuals