EasyManua.ls Logo

TOHATSU BFT250A - Page 236

TOHATSU BFT250A
639 pages
Print Icon
To Next Page IconTo Next Page
To Next Page IconTo Next Page
To Previous Page IconTo Previous Page
To Previous Page IconTo Previous Page
Loading...
5-114
dummyheaddummyhead
FUEL SYSTEM
CIRCUIT INSPECTION
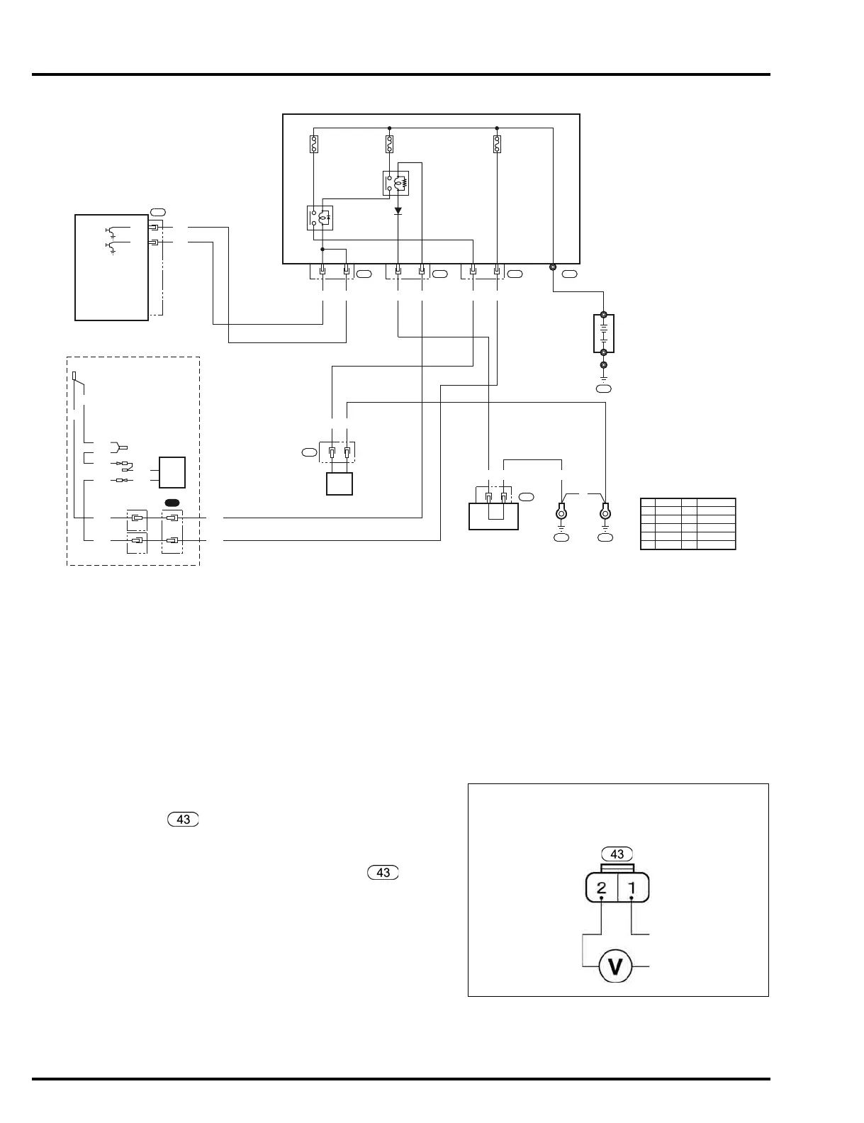
1. No.8 Fuse (10 A) inspection
Turn the combination switch OFF.
Check for blown No.8 fuse.
Is the fuse blown?
YES Replace the blown fuse and check for
short in the main wire harness or incorrect
load by referring to the fuse load chart
(page 4-16).
NO GO TO STEP 2.
2. Fuel pump power/ground line open circuit
inspection
Turn the combination switch OFF and disconnect
the fuel pump (High pressure side) 2P connector
.
Turn the combination switch ON.
Measure the battery voltage between the fuel pump
(High pressure side) 2P connector main wire
harness side No.2 (Blue/Red) terminal and No.1
(Black) terminal.
Is there battery voltage for a few seconds?
YES Replace the fuel pump (High pressure
side) with a new one and recheck.
NO GO TO STEP 3.
BATTERY
Bl/Y
W/Bl
54 94 54
Bu/R
14 13
LgFLR1
FLR2
ECM
Lg
2
24 23
1
Bl
JOINT CONNECTOR 1
FUEL PUMP
43
12
Bu
2
Bl/Y
W/Bl
COMBINATION
SWITCH
MAIN
RELAY
FUSE/RELAY
JUNCTION BOX
No.5 FUSE
(10A)
No.4 FUSE
(30A)
No.8 FUSE
(10A)
FUEL
PUMP
RELAY
Bl/Y
W/Bl
1
LOAD
BAT
Bl/Y
W/Bl
Bl/Y
Bl/Y
Bl/Y
Bl/Y
OPTION
2
Lg Lg Bl Bl/Y Bu/R W/Bl
Bl BlBl
29
28 27 T4
GND3GND1
11
GND6
Bl
Y
Bu
G
R
W
Black
Yellow
Blue
Green
Red
White
Br
O
Lb
Lg
P
Gr
Brown
Orange
Light blue
Light green
Pink
Gray
FUEL PUMP (HIGH PRESSURE SIDE)
2P CONNECTOR
MAIN WIRE HARNESS SIDE
GND3
(Black)
FUEL PUMP
(Blue/Red)

Table of Contents

Related product manuals